STMicroelectronics STEVAL-ISA188V1 Evaluierungsboard
Das STMicroelectronics STEVAL-ISA188V1 Evaluierungsboard basiert auf der A6986F3V3 und erfüllt die AEC Q100-Qualifikationsstandards für batteriebetriebene Automotive-Systeme. Die synchrone Gleichrichtung hilft bei Volllast einen höheren Wirkungsgrad und eine bessere Kompaktheit der Anwendung zu erreichen. Die Hochschaltfrequenz (programmierbar bis zu 2 MHz) hilft Kosten und die Größe der leistungspassiven Komponenten zu reduzieren, während sie außerhalb des AM-Frequenzbandes verbleiben.Merkmale
- AEC Q100 Qualifikation
- 1,5 A DC-Ausgangsstrom
- 4 V bis 38 V Betriebseingangsspannung
- Stromsparmodus oder rauscharmer Modus
- Programmierbarer ISKIP-Strom
- 30 μA IQ bei leichter Last (LCM VIN = 12V)
- 8 μA IQ-SHTDWN
- Einstellbar f SW (250kHz bis 2MHz)
- Feste Ausgangsspannung von 3,3V VOUT
- Embedded Ausgangsspannungswächter
- Synchronisierung
- Einstellbare Sanftanlauf-Zeit
- Interne Strombegrenzung
- Überspannungsschutz
- Sequentialisierung der Ausgangsspannung
- Spitzenstrommodus-Architektur
- 180mΩ RDS(on)HS und 150mΩ RDS(on)LS
- Thermische Abschaltung
- RoHS-konform
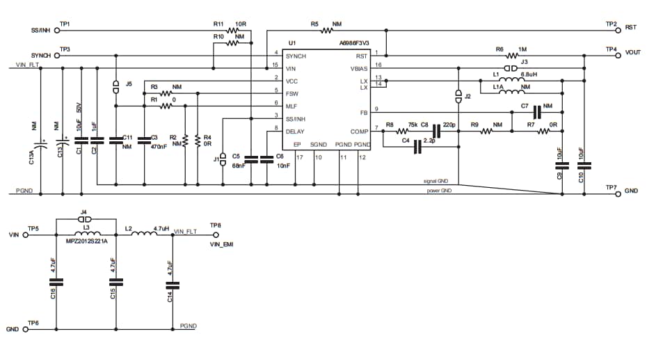
STEVAL-ISA188V1 Schaltplan
Veröffentlichungsdatum: 2016-05-20
| Aktualisiert: 2022-03-11
