STMicroelectronics STEVAL-MKI174V1 LIS2DS12 Adapter-Board
STMicroelectronics STEVAL-MKI174V1 LIS2DS12 Adapter-Board wurde für die Evaluierung von LIS2DS12-Mikroelektromechaniksystemen (MEMS) entwickelt. Dieses Adapter-Board kann in eine Standard-DIL24-Buchse eingesteckt werden. Das STEVAL-MKI174V1 Adapter-Board bietet die vollständige LIS2DS12-Pinbelegung und wird gebrauchsfertig, mit den erforderlichen Entkopplungskondensatoren auf der VDD-Stromleitung geliefert.Merkmale
- Vollständige LIS2DS12-Pinbelegung für Standard-DIL24-Sockel
- Vollständig kompatibel mit dem STEVAL-MKI109V3 Motherboard
- RoHS-konform
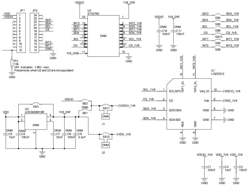
STEVAL-MKI174V1 Schaltplan-Diagramm
Veröffentlichungsdatum: 2018-09-11
| Aktualisiert: 2023-02-20
