STMicroelectronics STEVAL-SCR002V1 Einschaltstrombegrenzer
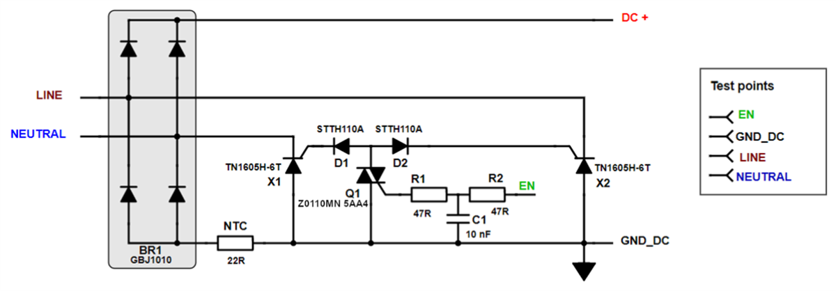
Der STMicroelectronics STEVAL-SCR002V1 Einschaltstrombegrenzer ist eine einfache und innovative AC/DC-Frontend-Schaltung. Die Schaltung ermöglicht Designern eine Einschaltstrombegrenzung in jedem Wandler mit Eingangsgleichrichter-Brückentopologien durchzuführen. Der STEVAL-SCR002V1 basiert auf einer diskreten Steuerschaltung, die aus einem Z0110MN SMD-Triac und zwei STTH110A Dioden besteht. Das Bauteil bietet einen kompakten und nicht-isolierten Hochspannungstreiber für den Netz-SCR.Merkmale
- Zwei TN1605H-6T 16 A – 600 V Hi-Tj-SCRs in einem TO-220-Gehäuse, die verwendet werden, um den Einschaltwiderstand zu umgehen
- Kompakte Lösung: 43,6 mm x 28,5 mm (≈ 1,8 sq in)
- Kompatibel mit AC/DC-Wandlern mit oder ohne PFC in allen Modi: CCM, CRM und DCM
- Freigabesignal (EN = 3,3 V bis 15 V) gegenüber GND_DC (DC- oder PWM-Signal)
- Geeignet für Applikationen von 50 W bis zu 1.000 W (230 VRMS, TAMB = 60 °C)
- Konform mit AC- oder DC-Eingangsspannung: 90-265VAC, 50/60Hz oder 120-400VDC
- Robust, immun (2 kV IEC 61000-4-5, 4 kV IEC 61000-4-4)
- Lösung mit geringem EMI-Rauschen (EN55014 und EN55022)
Schaltplan
Videos
Veröffentlichungsdatum: 2022-07-21
| Aktualisiert: 2023-09-11
