STMicroelectronics STGIPQ5C60T SLLIMM Nano-IPM der 2. Generation
Das STMicroelectronics STGIPQ5C60T intelligente SLLIMM™ Nano-Leistungsmodul (IPM) der 2. Generation zeichnet sich durch einen leistungsstarken AC-Motorantrieb und eine einfache, robuste Konstruktion aus. Diese IPMs verfügen über drei Halbbrücken-Hochspannungs-Gate-Treiber-ICs (HVIC) für den Gate-Antrieb und sechs IGBTs mit Freilaufdioden, die für eine niedrige elektromagnetische Störung (EMI) sorgen.Das STGIPQ5C60T Small-Low-Loss-Intelligent-Molded-Modul (SLLIMM) nano-IPM verfügt über einen Operationsverstärker und einen Komparator, die zur Entwicklung einer effizienten Schutzschaltung verwendet werden können. Zu den typischen Applikationen gehören Dreiphasen-Wechselrichter für Motorantriebe, Lüfter für Klimaanlagen, Kühlschrank-Kompressoren und Umwälzpumpen.
Merkmale
- Integrierte Bootstrap-Diode
- Unterspannungssperre
- Intelligente Abschaltfunktion
- Verriegelungsfunktion
- Optimiert für geringe elektromagnetische Störung
- Operationsverstärker für verbesserte Strommessung
- Komparator für Fehlerschutz gegen Überstrom
- 1500 Vrms/Min. Isolierungsleistung
Applikationen
- Dreiphasen-Wechselrichter für Motorantriebe
- Geschirrspülmaschine
- Kompressoren für Kühlschränke
- Heizungsanlagen
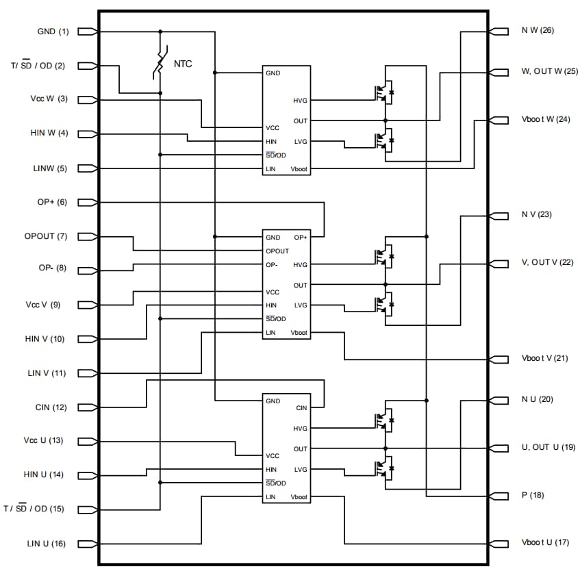
Internes Schaltplan-Diagramm und Pinbelegung
Veröffentlichungsdatum: 2017-11-16
| Aktualisiert: 2022-03-10
