STMicroelectronics STM32L4Q5RGx Mikrocontroller

STMicroelectronics STM32L4Q5RGx Mikrocontroller basieren auf dem leistungsstarken ARM® Cortex®-M7-32-Bit-RISC-Core und werden bei einer Frequenz von bis zu 120 MHz betrieben. Diese Mikrocontroller integrieren Hochgeschwindigkeitsspeicher, einen flexiblen externen Speicher-Controller, zwei OCTOSPI-Flash-Speicher-Schnittstellen und eine große Auswahl von verbesserten I/Os und verbesserter Peripherie. Die STM32L4Q5RGx MCUs unterstützen zwei digitale Filter für externe Sigma-Delta-Modulatoren (DFSDMs) und integrieren einen AES und einen PKA-Hardware-Beschleuniger. Diese Mikrocontroller verfügen über standardmäßige und erweiterte Kommunikationsschnittstellen, eine Kameraschnittstelle und eine synchrone parallelgeschaltete Datenschnittstelle.

Die STM32L4Q5RGx MCUs werden in einem Temperaturbereich von -40 °C bis +85 °C/+125 °C und in einem Stromversorgungsbereich von 1,71 V bis 3,6 V betrieben. Diese ARM-Mikrocontroller verfügen über einen Batch-Erfassungsmodus (BAM) und unterstützen Sensortasten, Linear- und Dreh-Berührungssensoren. Die STM32L4Q5RGx ARM-MCUs enthalten einen echten Zufallsgenerator, eine CRC-Berechnungseinheit und eine kryptografische Beschleunigung.

Merkmale

  • Extrem niedriger Stromverbrauch mit FlexPowerControl:
    • BAM-Modus (Batch-Erfassungsmodus)
    • Brown-Out-Reset (BOR) in allen Modi mit Ausnahme von Abschaltung
  • ARM® Cortex®-M4-32-Bit-CPU mit FPU und adaptivem Echtzeit-Beschleuniger
  • Speicher:
    • 1-Mbyte-Flash-Speicher, 2 Bänke Read-While-Write, proprietärer Code-Ausleseschutz
    • 320 Kbyte SRAM, einschließlich 64 Kbyte mit Hardware-Paritätsprüfung
    • Externe Speicherschnittstelle für statischen Speicher zur Unterstützung von SRAM-, PSRAM-, NOR-, NAND- und FRAM-Speicher
    • 2 x Octo-SPI-Speicherschnittstellen
  • Kryptografische Beschleunigung:
    • AES (128/256-Bit-Schlüssel)
    • Public-Key-Beschleuniger (PKA)
  • Echter Zufallsgenerator
  • CRC-Berechnungseinheit
  • HASH-Hardware-Beschleuniger (SHA-256)
  • Debug-Modus:
    • Serial Wire Debug (SWD)
    • JTAG
    • Embedded Trace Macrocell™ (ETM)
  • Eindeutige 96-Bit-ID
  • Energie-Benchmark:
    • 285 ULPMark™CP-Score
  • Bis zu 24 kapazitive Erkennungskanäle:
    • Unterstützt Sensortasten, Linear- und Dreh-Berührungssensoren
  • 23 Kommunikationsperipherien
  • Erweiterte Grafiken:
    • Chrom-ART-Beschleuniger (DMA2D) für die Erstellung von verbesserten grafischen Inhalten
    • LCD-TFT-Controller

Technische Daten

  • Stromversorgung von 1,71 V bis 3,6 V
  • Betriebstemperaturbereich: -40 °C bis +85/+125 °C
  • 150 nA im VBAT-Modus
  • Abschaltmodus: 22 nA
  • Standby-Modus: 42 nA
  • Standby-Modus mit RTC: 190 nA
  • Stopp 2 mit RTC: 2,95 µA
  • Betriebsmodus: 110 μA/MHz
  • Wakeup vom Stopp-Modus: 5 µs

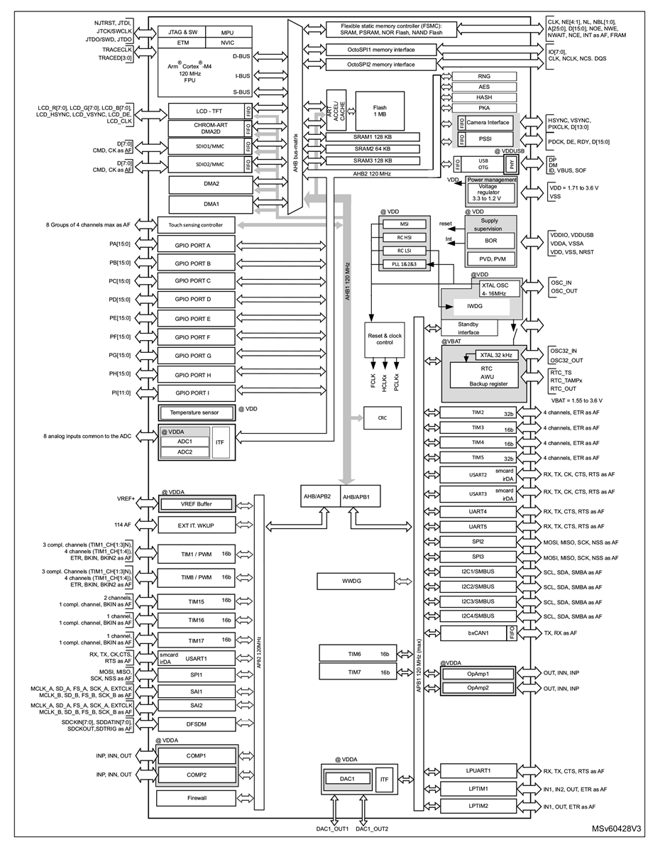
Blockdiagramm

Blockdiagramm - STMicroelectronics STM32L4Q5RGx Mikrocontroller

Schaltplan

Applikations-Schaltungsdiagramm - STMicroelectronics STM32L4Q5RGx Mikrocontroller
Veröffentlichungsdatum: 2021-01-07 | Aktualisiert: 2022-03-11