STMicroelectronics STSPIN32G025x 250-V-Dreiphasen-BLDC-Controller
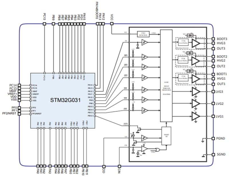
STMicroelectronics STSPIN32G025x 250-V- Dreiphasen-BLDC-Controller sind eine integrierte Lösung für die Ansteuerung von Dreiphasen-Applikationen. Der STSPIN32G025x von STMicroelectronics verfügt über einen STM32G031x8x3 Embedded-MCU und einen 250-V-Dreiphasen-Halbbrücken-Gate-Treiber. Die Controller unterstützen n-Kanal-Leistungs-MOSFETs oder IGBTs. Das Bauteil enthält einen smartSD-Komparator für einen schnellen und wirksamen Überlast- und Überstromschutz. Integrierte Funktionen umfassen Hochspannungs-Bootstrap-Dioden, Querleitungsschutz, Totzeit, UVLO-Schutz auf beiden Antriebsbereichen und angepasste Verzögerungen für verzerrungsfreie Zyklen.Merkmale
- Dreiphasen-Gate-Treiber
- Hochspannungsschiene von bis zu 250 V
- dV/dt-Transientenimmunität: ±50 V/ns
- Die Gate-Ansteuerspannung reicht von 9 V bis 20 V
- Treiberstrombelastbarkeit
- Quellen-/Senkenstrom von 200/350 mA bei +25 °C (STSPIN32G0251)
- Quellen-/Senkenstrom von 1,00/0,85 A bei +25 °C (STSPIN32G0252)
- ARM® Cortex®-M0+-32-Bit-MCU-Core
- Taktfrequenz von bis zu 64 MHz
- 8-KByte-SRAM mit Hardware-Paritätsprüfung
- 64-KByte-Flash-Speicher mit Schutz- und Sicherungsbereich
- CRC-Berechnungseinheit
- Bis zu 32 x Universal-I/O-Anschlüsse (GPIO)
- 1 x Erweiterter Timer für die Motorsteuerung, 16-Bit mit bis zu 6 x PWM-Kanälen
- 5 x Universal-Timer (1x 32-Bit)
- 2 x Stromsparende Timer
- 12-Bit-ADC-Wandler (bis zu 15 Kanäle) mit einer Umwandlungsrate von 2 MS/s
- 5-Kanal-DMA-Controller mit flexibler Zuordnung
- Interne Spannungsreferenz mit hoher Genauigkeit
- Vollständiger Satz an Schnittstellen: 2 x I2C, 2 x SPI, 3 x UART und 1 x stromsparender UART
- Angepasste Signallaufzeit für alle Kanäle
- Integrierte Bootstrap-Dioden
- Komparator für schnellen Überstromschutz
- UVLO-, Verriegelungs- und Totzeit-Funktionen
- Smart-Abschaltfunktion (smartSD)
- Standby-Modus für geringen Stromverbrauch
- On-Chip-Debug-Unterstützung über SWD
- -40 °C bis +125 °C erweiterter Temperaturbereich
- QFN-72L-Gehäuse von 10 mm x 10 mm, Rastermaß von 0,5 mm, Kriechstrecke von 1,8 mm
Applikationen
- Dreiphasen-Motortreiber
- Umrichter
- Industrielle Haushaltsgeräte und Lüfter
Blockdiagramm
Veröffentlichungsdatum: 2024-02-28
| Aktualisiert: 2024-03-15
