STMicroelectronics STSPIN830 Motortreiber

Der STSPIN830 Motortreiber von STMicroelectronics ist ein kompakter und vielseitiger FOC-bereiter Dreiphasen-Motortreiber mit feldorientierter Steuerung. Der STSPIN830 ist in einem QFN-Gehäuse von 4x4 mm untergebracht und verfügt über eine Steuerlogik und eine vollständig geschützte Dreifach-Brücken-Leistungsstufe mit niedrigem RDS(ON). Der Treiber enthält einen dedizierten MODE-Eingangspin, um entscheiden zu können, ob über 6 Eingänge (einen für jeden Leistungsschalter) oder geläufigere 3 PWM-Direkt-Ansteuerungseingänge angesteuert wird. Der STSPIN830 unterstützt Architekturen mit einem oder drei Shunts und integriert einen PWM-Stromcontroller basierend auf den einstellbaren Benutzerwerten der Referenzschaltung und AUS-Zeit.

Merkmale

  • Betriebsspannung von 7 V bis 45 V
  • Maximaler Ausgangsstrom von 1,5 Arms
  • RDSon HS + LS = 1 Ω (typisch)
  • Unterstützt Architekturen mit einem oder drei Shunts
  • Stromsteuerung mit einstellbarer AUS-Zeit
  • Strommessung auf Basis des externen Shunt-Widerstands
  • Flexible Ansteuermethodik vom Benutzer zwischen sechs Eingängen (High-Side- und Low-Side-Ansteuerung) einstellbar und drei Eingänge (direkte PWM-Ansteuerung)
  • FOC-kompatibel dank der Unterstützung der Abtast-Topologie mit drei Shunts
  • Vollständiger Schutzsatz
  • Nicht dissipativer Überstromschutz
  • Kurzschlussschutz
  • Unterspannungssperre
  • Übertemperaturschutz
  • Verriegelungsfunktion
  • Geringer Standby-Stromverbrauch

Applikationen

  • Industrie-Robotik
  • Gesundheitswesen und Medizin
  • Fabrikautomatisierungs-Endpunkte
  • Haushaltsgeräte
  • Kleinpumpen
  • Server-, Computer- und Universal-Lüfter
  • Büro- und Heimautomatisierung

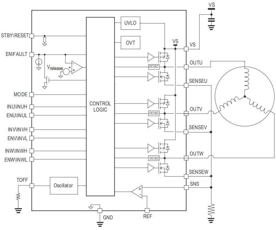
STSPIN830 Blockdiagramm

Blockdiagramm - STMicroelectronics STSPIN830 Motortreiber
Veröffentlichungsdatum: 2018-07-11 | Aktualisiert: 2023-02-12