STMicroelectronics L9305 Fahrzeug 4-Kanal-Ventiltreiber
STMicroelectronics L9305 Fahrzeug 4-Kanal-Ventiltreiber für den Automobilbereich sind konfigurierbare, monolithische Magnetventil-Treiber-ICs, die für die Steuerung von linearen Magnetventilen in Automatikgetrieben, elektronischen Stabilitätskontrollsystemen und aktiven Federungssystemen entwickelt wurden. Der L9305 verfügt über vier Kanäle, die in beliebiger Anordnung entweder als Low- oder High-Side-Treiber angeordnet sind. Das Gerät enthält einen Leistungstransistor, Rückführungstransistor und die Strommessung für den Leistungstransistor und den Rückführungstransistor.Die Architektur der STMicro L9305-Treiber gewährleistet die Redundanz der Strommessung für jeden Kanal. Der regulierte Strom ist programmierbar von 0 A bis 1,5 A (normaler Bereich) mit einer Auflösung von 0,25 mA oder von 0 A bis 2 A (erweiterter Bereich) mit einer Auflösung von 0,33 mA. Der Benutzer kann dem Sollwertstrom eine konfigurierbare Dither-Modulation überlagern.
Merkmale
- AEC-Q100-qualifiziert
- Unabhängige stromgesteuerte 4-Kanal-LSD/HSD-Treiber
- Integrierte Strommessung
- Aktuelle Genauigkeit (im normalen Bereich)
- ±5 mA im Bereich von 0 bis 0,5 A
- ±1 % im Bereich von 0,5 A bis 1,5 A
- Aktuelle Genauigkeit (im erweiterten Bereich)
- ±15 mA im Bereich von 0 A bis 0,3 A
- ±5 % im Bereich von 0,3 A bis 0,5 A
- ±4 % im Bereich von 0,5 A bis 2 A
- Maximaler Treiber-RDSON von 375 mΩ bei 175 °C
- 13-Bit-Stromsollwertauflösung
- Stromregelung mit variabler und fester Frequenz
- Programmierbare Dither-Funktion
- Wählbare Treiber - Anstiegsrate
- Sicherheitsfunktionen
- Vortreiber für einen ausfallsicheren High-Side-ENABLE-Schalter mit VDS -Überwachung
- Redundanter sicherer ENABLE-Pfad
- Erweiterte Diagnose und Überwachung mit BIST
- Temperatursensor und -überwachung
- Redundante Stromsensoren für alle Kanäle
- Kalibrierungs- und Konfigurationsspeicher einschließlich CRC
- Sichere serielle Kommunikation mit Adress-Feedback, 5-Bit-CRC, Frame-Counter und Erkennung von langen/kurzen Frames
- Register-Verifizierung
- 32-Bit-SPI-Kommunikation mit 5-Bit-CRC-Nachrichtenüberprüfung
- PWSSO36- und TQFP48-Gehäuseoptionen
- Vollständig ISO26262-konform, bereit für ASIL-D-Systeme
Applikationen
- Fahrzeuganwendungen
- Fahrwerk und Sicherheit
- Aktive Federung
- Bremsanlage
- ABS
- Fahrdynamikregelung (ESC)
- Fahrwerk und Sicherheit
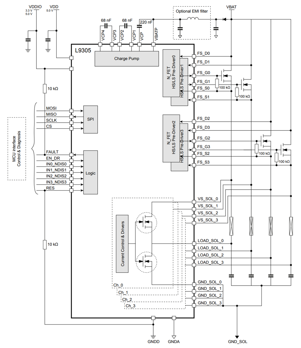
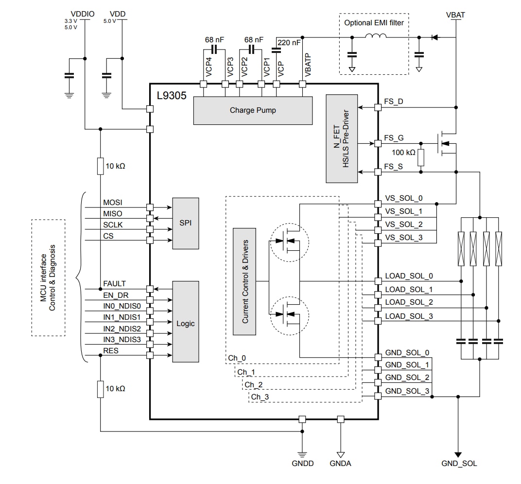
Blockdiagramm
PWSSO36 Applikation Schaltschema
TQFP48 Applikation Schaltschema
Veröffentlichungsdatum: 2025-08-08
| Aktualisiert: 2025-08-19
