STMicroelectronics L9663 Automobil-PSI5-Transceiver-ICs
STMicroelectronics L9663 Automotive PSI5 Transceiver-ICs sind ein offener Standard, der bestehende Sensorschnittstellen für Peripheriesensoren unterstützt und eine universelle Lösung für verschiedene Sensoranwendungen bietet. Die PSI5- Schnittstelle ermöglicht asynchronen oder synchronen Betrieb und Modi BUSmodi.Die STMicro Peripheral Sensor-Schnittstelle (PSI5) ist sowohl mit den Versionen v1.3 als auch v2.x kompatibel und arbeitet mit einem breiten Spektrum an Sensor-Versorgungsströmen und variablen Datenwortlängen (8 Bit bis 28 Bit). Die Sensoren sind an die ECU angeschlossen und nutzen dieselbe Leitung für Stromversorgung und Datenübertragung. Der Transceiver-IC versorgt die Sensoren mit vorregulierter Spannung und liest die übertragenen Sensordaten ein. Das PSI5 Schnittstelle implementiert entweder eine Punkt-zu-Punkt-Verbindung oder ein BUS Modus.
Merkmale
- AEC-Q100-konform
- 2-Kanal-PSI5-Transceiver, kompatibel mit Rev. 1.3 und Rev. 2.x
- Manchester-codierte digitale Datenübertragung
- Hohe Datenübertragungsgeschwindigkeit von 125 kbit/s (optional 83,3 kbit/s und 189 kbit/s)
- Hohe EMV-Robustheit und geringe Emissionen
- Strom- und Spannungsbegrenzung an Schnittstellenpins
- Integrierte Ladungspumpenstufe zur Vorregelung mit Frequenznsatzspreizansatz
- Bootstrap-Schaltungen für Synchronisationsimpulse
- Integriertes FLL-Modul für hochgradig genaue Zeitsteuerung
- Schutzvorrichtung gegen Sperrspannung
- Kurzschlussfest mit ±1,5 V Erdungsverschiebung
- 32-Bit-SPI-Schnittstelle mit Adressmultiplexing
- Betriebsspannung von VB = 4,8 V (5,2 V für Synchronimpulse mit 3,5-V-Schritt) bis 35 V
- -40 °C bis 140 °C Umgebungstemperaturbereich
- VFQFPN28- oder TQFP32EP-Gehäuse
Applikationen
- Automotive:
- Gehäuse und Sicherheit
- Aktive Federung
- Airbagsystem
- Bremssystem
- ABS
- Elektrischer Booster
- Elektronische Stabilitätskontrolle (ESC)
- Elektrische Servolenkung (EPS)
- Gehäuse und Sicherheit
Weitere Ressourcen
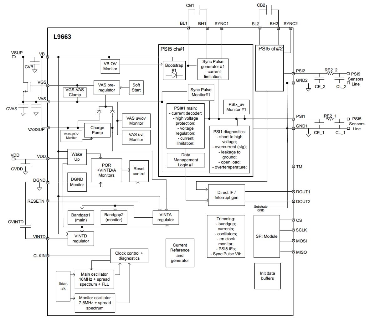
Blockdiagramm
Detailliertes Blockdiagramm
Veröffentlichungsdatum: 2025-08-10
| Aktualisiert: 2025-08-18
