STMicroelectronics S2-LP Extrem stromsparende Sub-1GHz-Transceiver
Die extrem stromsparenden S2-LP Sub-1GHz-Transceiver mit hoher Leistungsfähigkeit von STMicroelectronics sind für HF-Drahtlos-Applikationen ausgelegt. Die S2-LP-Transceiver arbeiten in den lizenzfreien ISM- und SRD-Frequenzbändern bei 433 MHz, 512 MHz, 868 MHz und 920 MHz. Die Transceiver können außerdem für den Betrieb bei weiteren Frequenzen in den Bändern von 413 MHz bis 479 MHz, 452 MHz bis 527 MHz, 826 MHz bis 958 MHz und 904 MHz bis 1.055 MHz programmiert werden.Der S2-LP unterstützt 2(G)FSK-, 4(G)FSK-, OOK- und ASK-Modulationsschemas. Die Funkdatenrate ist von 0,1 kBit/s bis 500 kBit/s programmierbar. Der S2-LP Transceiver kann in Systemen mit einem Kanalabstand bis hinunter zu 1 kHz verwendet werden und ermöglicht einen Schmalbandbetrieb.
Der S2-LP zeigt ein HF-Link-Budget höher als 140 dB für Kommunikationen mit langen Reichweiten und erfüllt die regulatorischen Anforderungen in Ländern weltweit, einschließlich Europa, Japan, China und die USA.
Merkmale
- Frequenzbänder:
- S2-LPQTR: 413 MHz bis 479 MHz; 826 MHz bis 958 MHz
- S2-LPCBQTR: 452 MHz bis 527 MHz; 904 MHz bis 1.055 MHz
- Modulationsschemas: 2(G)FSK, 4(G)FSK, OOK und ASK
- Funkdatenrate von 0,1 kBit/s bis 500 kBit/s
- extrem niedriger Stromverbrauch:
- 7 mA RX
- 10 mA TX bei +10 dBm
- Ausgezeichnete Leistungsfähigkeit der Empfängerempfindlichkeit: bis zu -130 dBm
- Ausgezeichnete Empfänger-Selektivität und Blockade-Leistung
- Programmierbare HF-Ausgangsleistung bis zu +16 dBm
- Programmierbarer RX-Digitalfilter
- Programmierbarer Kanalabstand
- Schnelles Einschalten und schnelle Frequenzsynthesizer-Einschwingzeit
- Automatische Frequenz-Offset-Kompensierung, AGC und Symbol-Timing-Erholung
- Mehr als 145 dB HF-Link-Budget
- Batterieanzeige und Batterietiefstanddetektor
- RX- und TX-128-byte-FIFO-Buffer
- 4-drahtige SPI-Schnittstelle
- Automatische Paketrückmeldung und Weitersendung
- Integrierte Timeout-Protokoll-Engine
- Ausgezeichnete Empfängerauswahl (> 80 dB bei 2 MHz)
- ST Companion-integrierte Balun-/Filterchips sind verfügbar
- Antennendiversitäts-Algorithmus
- Vollständig integrierter, extrem stromsparender RC-Oszillator
- Aktivierung durch internen Timer oder externes Ereignis
- Digitale Echtzeit-RSSI
- Flexible Paketlänge mit dynamischer Nutzlastlänge
- Programmierbare Präambel und SYNC-Wortqualitätsfilterung und -Erkennung
- Embedded CSMA/CA-Engine basierend auf Listen-before-Talk-Systemen (Hören vor dem Reden)
- IEEE 802.15.4g Hardware-Paket-Unterstützung mit Whitening, FEC, CRC und Dual-SYNC-Worterkennung
- Unterstützt drahtlosen M-BUS
- Ermöglicht den Betrieb in SIGFOX™- und MONARCH-Netzwerken
- Geeignet für den Aufbau von Systemen, die wie folgt vorgesehen sind:
- Europa: ETSI EN 300 220, Kategorie 1.5 standardmäßig konform, ETSI EN 303 131
- US: FCC Teil 15 und Teil 90
- Japan: ARIB STD T67, T108
- China: SRRC
- Betriebstemperaturbereich: -40 °C bis +105 °C
- Gehäuse: 4 mm x 4 mm x 1 mm QFN-24L
Applikationen
- Schaltnetzteile
- Sensoren zu Cloud
- Intelligente Stromzähler (Smart Meter)
- Energiemanagement-Systeme für Haushalte
- Kabellose Alarmsysteme
- Smart Home
- Gebäudeautomatisierung
- Industrielle Überwachung und Steuerung
- Smart-Beleuchtungssystem
Content Stream
Videos
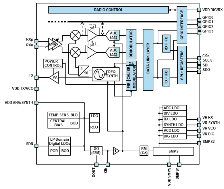
Blockdiagramm
Veröffentlichungsdatum: 2017-05-19
| Aktualisiert: 2022-05-09
