STMicroelectronics ACEPACK 2 Leistungsmodul
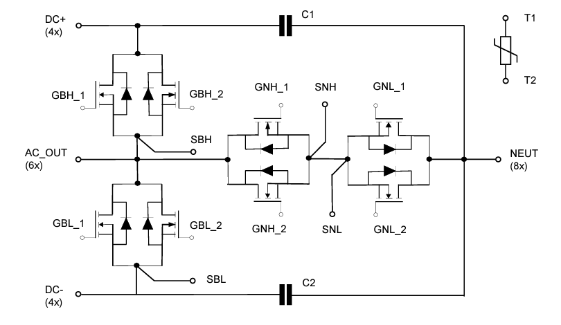
Das STMicroelectronics ACEPACK 2 Leistungsmodul bietet eine 3-Stufen-Topologie mit NTC und Kapazität. Das Bauteil basiert auf der Siliziumkarbid-Technologie der dritten Generation. Die modulare Lösung von STmicro erreicht komplexe Topologien mit hoher Leistungsdichte und hohem Wirkungsgrad in DC/DC-Wandlerapplikationen.Merkmale
- NH und NL bei 750 V, 6 mΩ von typischem RDS (on) jeder Schalter
- BH und BL bei 1.200 V, 9,5 mΩ des typischen RDS(on) jeder Schalter
- Isolierung: 3 kVRMS
- Integrierter NTC-Temperatursensor
- DC-Link-Kondensatoren zwischen DC-BUS und neutral
- AIN DBC Verbesserte thermische Leistung
- Press-Fit-Kontaktstifte
Technische Daten
- Drain-Source-Durchschlagspannung: 750 V
- Gate-Quellenspannung: -10 V bis 22 V
- Gate-Source-Spannung von -5 V bis 18 V, empfohlene Betriebsnennleistung
- 180 A Drainstrom (kontinuierlich) von 180 A bei TH = 25 °C
- Periodischer Spitzensenkenstrom: 360 A
- Sperrschicht-Betriebstemperaturbereich: -55 °C bis +150 °C
Elektrische Topologie und Pin-Beschreibung
Veröffentlichungsdatum: 2024-08-22
| Aktualisiert: 2024-09-20
