STMicroelectronics M1P45M12W2-1LA ACEPACK-DMT-32-Leistungsmodul
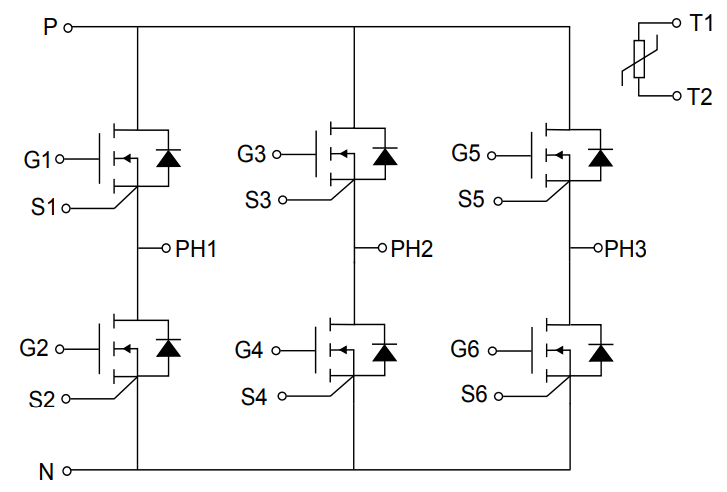
Das ACEPACK-DMT-32-Leistungsmodul M1P45M12W2-1LA von STMicroelectronics verfügt über eine Six-Pack-Topologie mit integriertem NTC, der für die DC/DC-Wandlerstufe des OBC ausgelegt ist. Dieses Leistungsmodul wird in einem On-Board-Ladegerät (OBC) verwendet. Das Leistungsmodul M1P45M12W2-1LA gewährleistet ein optimales Gleichgewicht zwischen Energieverlusten und Betriebsmodus mit hoher Schaltfrequenz. Dieses Leistungsmodul erzeugt komplexe Topologien mit sehr hohen Leistungsdichten und hohen Anforderungen an den Wirkungsgrad. Dieses Leistungsmodul ist AQG-324-qualifiziert. Das M1P45M12W2-1LA Leistungsmodul verfügt über sechs Siliziumkarbid-Leistungs-MOSFETs der 2. Generation.Merkmale
- AQG-324-qualifiziert
- Integrierter NTC-Temperatursensor
- DBC Cu-AlN-Cu-basiertes Substrat zur Verbesserung der thermischen Leistung
Technische Daten
- 1.200 V Drain-Source-Durchschlagspannung
- Drainstrom: 30 A (kontinuierlich) bei TC= 50 °C
- Drainstrom: 95 A (gepulst, tp= 1 ms)
- -40 °C bis 175 °C Betriebstemperaturbereich
Applikationen
- On-Board-Ladegerät (OBC)
Elektrische Topologie
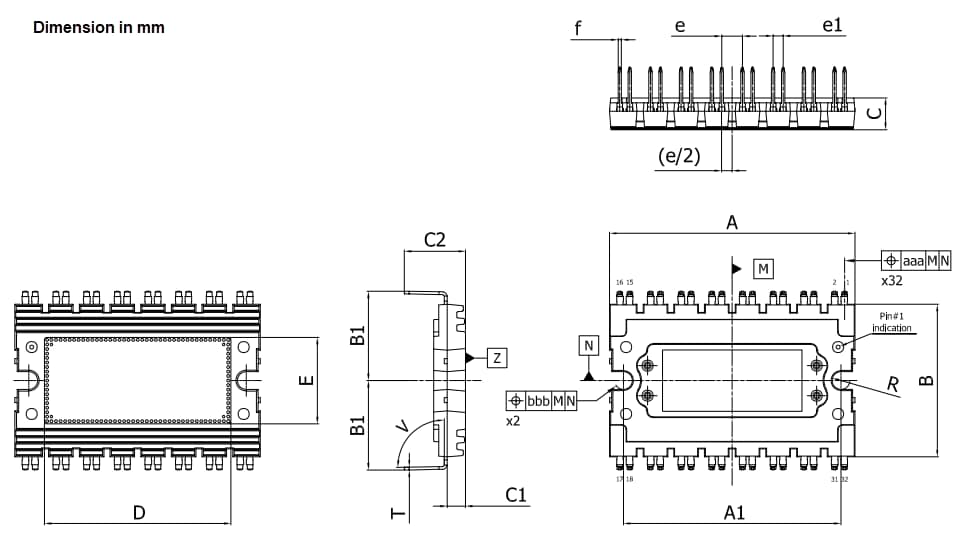
ACEPACK DMT‑32-Gehäuseabmessungen
Veröffentlichungsdatum: 2024-09-18
| Aktualisiert: 2024-10-10
