STMicroelectronics STDRIVEG610n Halbbrücken Gate-Treiber

Die Halbbrücken-Gate-Treiber der Baureihe STDRIVEG610 von STMicroelectronics  sind Bauteile, die für die Ansteuerung von N-Kanal-MOSFETs oder IGBTs in einer Vielzahl von Leistungsumwandlungs-Applikationen entwickelt wurden. Das Bauteil STDRIVEG610 von STMicroelectronics  zeichnet sich durch eine  Steuerung  über einen einzelnen Eingang und durch den  Bootstrap-Betrieb aus, was ein effizientes High-Side- und Low-Side-Schalten mit minimalen externen Komponenten ermöglicht. Die Bauteile unterstützen bis zu 600 V  auf dem High-Side-Treiber und verfügen sowohl auf der Low-Side als auch auf der High-Side über einen Unterspannungsschutz (UVLO),  um einen sicheren Betrieb zu gewährleisten. Mit einer  typischen Ausbreitungsverzögerung von 50 ns und angepassten Verzögerungszeiten eignen sich die STDRIVEG610 ICs gut für Hochfrequenz- Applikationen wie  Motorsteuerung Stromversorgungen und Umrichter. Das kompakte Design, die robusten Schutzfunktionen und große Betriebsspannungsbereich machen die Halbbrücken-Gate-Treiber der Baureihe STDRIVEG610 zu einer zuverlässigen Wahl für Designer, die nach effizienten und kompakten GATE-Treiber-Lösungen suchen.

Merkmale

  • Hochspannungsschiene von bis zu 600 V
  • Überspannungsimpuls-Immunität von ±200 V/ns dV/dt
  • Treiber mit getrenntem Ableitvorrichtung und Quellenpfad für optimale Ansteuerung
    • Ableitvorrichtung: 2,4 A und 1,2 Ω
    • 1.0 A und 3,7 Ω Quelle
  • High-Side- und Low-Side-Linearregler für GATE-Ansteuerspannung von 6 V
  • Eextrem schnelle High-Side-Startzeit von 300 ns
  • Ausbreitungsverzögerung von 45 ns, minimaler Ausgangsimpuls von 15 ns
  • Hohe (>1 MHz) Schaltfrequenz
  • Eingebettete 600-V-Bootstrap-Diode
  • Vollständige Unterstützung der hartenschaltenden GaN-Topologie
  • UVLO-Funktion auf VCC, VBO und VLS
  • Getrennte Logikschaltung und Shutdown-Pin
  • Fehler-Pin für Übertemperatur- und UVLO-Meldungen
  • Standby-Funktion für stromsparenden Modus
  • Getrennter PGND für Ansteuerung von Kelvin-Quelle und kompatibel mit Nebenwiderständen
  • Kompatibel Eingänge mit Hysterese und Pulldown: 3,3 V bis 20 V

Applikationen

  • DC/DC- und Resonanzwandler (LLC, Flyback mit Active Clamp Totem Pole, …)
  • PFC- und synchrone Gleichrichter-Topologien
  • Akkuladegeräte und Adapter
  • AC/DC-Wandler

Technische Daten

  • Versorgungsspannung der Logikschaltung von 9,2 V bis 18 V
  • Low-Side-Treibermasse: ±3 V
  • Spannungsbereich V BOOT-OUT-Pin: 7,5 V bis 20 V
  • Ausgangsspannungsbereich: -10,8 VDC bis 520 VDC
  • Maximale Ausgangsspannung: 600 V
  • Spannungsbereich der Eingänge der Logikschaltung: 0 V bis 20 V
  • Treiber-Versorgungsspannung, Bypass-Kapazitätsbereich: 47 nF bis 220 nF
  • Maximale Eingangskapazität des linearen High-Side-Treibers: 3.300 nF
  • Mindestdauer des Eingangsimpulses: 50 ns
  • Schaltfrequenz von maximal 2 MHz
  • Thermischer Widerstand
    • Widerstand Sperrschicht-zu-Umgebung: 85 °C/W, bei Montage auf einer 2s2p (4-schichtigen) FR4-Platine gemäß JESD51-7 ohne thermische Durchkontaktierung der Leiterplatte
    • Widerstand Sperrschicht-zu-Umgebung: 110 °C/W, bei Montage auf einer 1s0p (1-schichtigen) FR4-Platine gemäß JESD51-3
  • ESD-Bewertungen
    • Human-Body-Modell gemäß ANSI/ESDA/JEDEC JS-001-2017: 2 kV
    • Charged-Device-Modell gemäß ANSI/ESDA/JEDEC JS-002-2018: 1 kV
  • Sperrschichttemperaturbereich von -40 °C bis +125 °C
  • QFN-Gehäuse: 4 mm x 5 mm x 1 mm

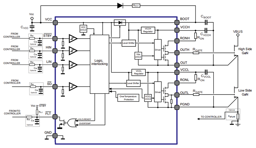
Schaltschema für typische Applikation

Applikations-Schaltungsdiagramm - STMicroelectronics STDRIVEG610n Halbbrücken Gate-Treiber

Blockdiagramm

Blockdiagramm - STMicroelectronics STDRIVEG610n Halbbrücken Gate-Treiber

Videos

Veröffentlichungsdatum: 2025-06-19 | Aktualisiert: 2025-08-07