EPCOS / TDK HVC27-500C-24P Schaltschütz
Der EPCOS / TDK HVC27-500C-24P Schaltschütz ist gasgefüllt für Hochspannungs-DC und bietet einen Betriebstemperaturbereich -40 °C bis +85 °C. Dieser Schaltschütz verfügt über eine einzelne 24-V-Spule, Hauptanschlüsse ohne Polarität, eine Nennspannung von 1.000 VDC und einen Nennstrom von 500 A. Der HVC27-500C-24P Schaltschütz von EPCOS / TDK eignet sich für Traktionsbatteriesysteme, elektrische Energiespeichersysteme (ESS) und DC-Schnellladesysteme.Merkmale
- Einzelspule
- Spulenklemme mit Varistor
- Hauptanschlüsse ohne Polarität (bidirektional)
- RoHS-konform
Applikationen
- Traktionsbatteriesysteme
- ESS
- DC-Schnellladestationen
Technische Daten
- 1 A Kontaktanordnung
- Innenkontaktabstand: 3,2 mm
- Maximale Betriebsspannung: 1.000 VDC
- Typischer Durchgangswiderstand von 0,125 mΩ bei 100 A DC
- Isolationswiderstand: ≥ 1 GΩ
- -40 °C bis +85 °C Betriebstemperaturbereich
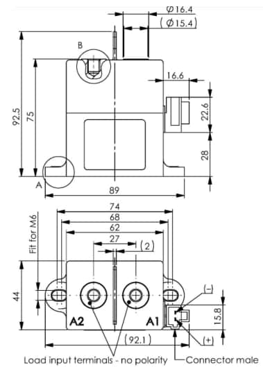
Abmessungen
Veröffentlichungsdatum: 2025-02-05
| Aktualisiert: 2025-12-16
