![]() | ||||||||||||||||||
TDK Corporation CCT-Baureihe SensorenDie Wechselstromsensoren der CCT-Baureihe von TDK sind mit einem eingebauten Leerlaufschutz ausgestattet und verfügen über eine Klemme für eine einfache Montage an vorhandene Netzteile. Die Baureihe ermöglicht automatische Prozesse von Drahtsteckanschluss und Wicklung über Löten, um eine qualitativ hochwertige und stabile Versorgung sicherzustellen.
| ||||||||||||||||||
| ||||||||||||||||||
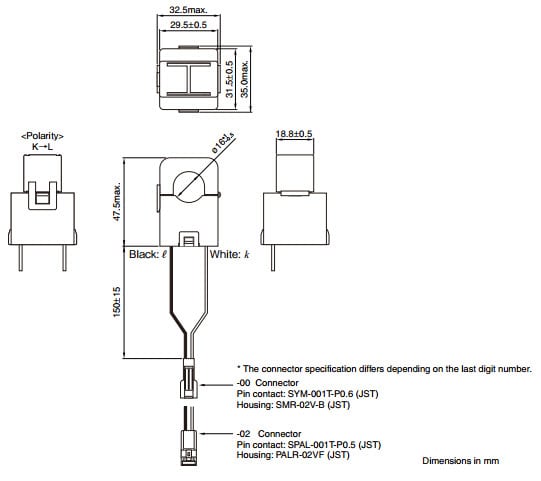
CCT323047 Typ Abmessungen![]() | ||||||||||||||||||
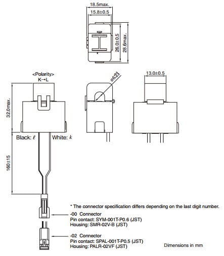
CCT261631 Typ Abmessungen![]() | ||||||||||||||||||
![]() | ||||||||||||||||||
Veröffentlichungsdatum: 2015-02-13
| Aktualisiert: 2022-03-11






