TE Connectivity / CII FC-335 Universalrelais
TE Connectivity/CII FC-335 Universalrelais sind nicht-selbsthaltende, hermetisch abgedichtete Spulentyp-Relais mit 3PST- (Dreifach-Pol einfach umlegend) oder NO-Ausführung. Die FC-335 Hochspannungsrelais sind mit Löthaken- und Schraub-Kontaktanschlüssen mit 28 VDC unterdrückter Spulenspannung erhältlich. Diese Relais-Hauptkontakte eignen sich für den Einsatz in variablen Frequenzapplikationen von 360 bis 800 Hz. Die FC-335 Relais können in Höhen von 80.000 Fuß eingesetzt werden, verfügen über 3-polige 35A-Kontakte, eine 1,5-Zoll3-Schaltung und können Erschütterungen von 50 g/11 ms standhalten. Diese Universalrelais arbeiten in einem Temperaturbereich von -70 ºC bis 125 °C. Die FC335 Relais sind mit einem Metallgehäuse mit Korrosionsschutz ausgelegt, verfügen über eine vollständig verschweißte Konstruktion und sind gemäß MIL-PRF-6106 gebaut.Merkmale
- 3-pole 35A contacts
- 28VDC and 115VAC coils
- 1.5"3 switching
- 80,000 feet altitude
- 50g/11ms shock
- 2ms maximum bounce time at a nominal voltage
- -70°C to +125°C temperature range
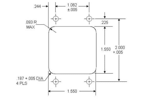
Solder Hook Mounting Layout
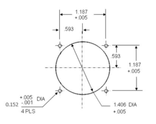
Screw Mounting Layout
Veröffentlichungsdatum: 2017-12-27
| Aktualisiert: 2023-05-04
