TE Connectivity / Measurement Specialties MEAS-Wetterschutz

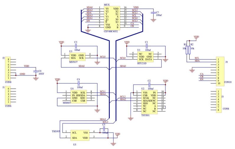
Der MEAS-Wetterschutz von Measurement Specialties / TE Connectivity enthält die notwendige Hardware zum Zusammenschalten der Sensoren - digitaler Relativfeuchtigkeitsensor HTU21D, digitaler Luftdrucksensor MS5637, digitaler Temperatursensor TSYS01, digitaler Relativfeuchtigkeit- und Digitaldrucksensor MS8607 und digitaler Thermophil-Sensor TSD305-1C55 - mit einem beliebigen System, das Arduino-kompatible Erweiterungsanschlüsse verwendet, die für die I2C-Kommunikation konfigurierbar sind. Es gibt 64 Steckbuchsenpads, die für das Löten von externen Bauelementen verwendet und auf das Motherboard zum Testen gesteckt werden können.

Merkmale

  • Provides the necessary hardware to interface sensors to any system that utilizes Arduino compatible expansion ports configurable for I2C communication
  • Includes HTU21D digital relative humidity sensor, MS5637 digital barometric pressure sensor, TSYS01 digital temperature sensor, MS8607 digital relative humidity and digital pressure sensor, and TSD305-1C55 digital thermopile sensor
  • 64 plug hole pads that can be used for soldering external devices, then plug on the motherboard for testing5

Schematic

Schaltplan - TE Connectivity / Measurement Specialties MEAS-Wetterschutz
Veröffentlichungsdatum: 2016-08-09 | Aktualisiert: 2024-12-19