TE Connectivity SMI Digitale/Analoge Niederdrucksensoren
Die digitalen/analogen SMI-Niederdrucksensoren von TE Connectivity sind MEMS-Sensoren, die einen vollständig konditionierten, druck- und temperaturkompensierten Ausgang erzeugen. Diese Sensoren nutzen eine hochmoderne Druckwandler-Technologie und CMOS-Mischsignalverarbeitungs-Technologie. Diese Sensoren bieten einSOIC-16-Gehäuse nach JEDEC-Standard mit vertikalen oder horizontalen Portierungsoptionen. Die digitalen/analogen SMI-Sensoren sind in den Druckpegel-, Differential- und asymmetrisch Differential-Konfigurationen erhältlich. Der Druck reicht von 0,07 PSI bis 2,49 PSI. Diese Sensoren haben einen doppelten Anschluss, der eine Referenzmessung ermöglicht, um Fehler aufgrund von Änderungen der Umgebungstemperatur zu minimieren.Die digitalen/analogen SMI-Niederdrucksensoren verfügen über ein Gesamtfehlerband von ±1 % FS (digital) und ±1,5 % FS (analog). Diese Sensoren können direkt auf einer Standardleiterplatte montiert werden und ein hochrangiges, kalibriertes Drucksignal kann von der Digitalschnittstelle abgerufen werden. Dadurch entfällt die Notwendigkeit einer zusätzlichen Schaltung, wie ein Kompensationsnetzwerk oder ein Mikrocontroller mit einem benutzerdefinierten Korrekturalgorithmus. Typische Applikationen sind Ventilatoren, Gasflussmessgeräte, Drucktransmitter, pneumatische Messgeräte, Druckschalter und Sicherheitsschränke.
Merkmale
- 0.07PSI bis 2.49PSI Druckbereiche
- Drucktyp:
- Gage
- Differentiell
- Asymmetrisch Differential
- 16-BitI2Cdigitale und analoge Ausgangsschnittstelle verfügbar
- Gesamtfehlerband:
- ±1 % FS (digital)
- ±1,5 % FS (analog)
- Druckkalibrierter und temperaturkompensierter Ausgang
- Kompensierter Temperaturbereich von -20 °C bis 85 °C
Applikationen
- CPAP/Schlafapnoe
- Ventilatoren
- Gasströmungsinstrumente
- Luftstrommessung
- HVAC/VAV
- Drucktransmitter
- Pneumatische Anzeigen
- Druckschalter
- Sicherheitschränke
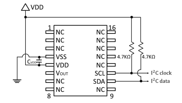
Typische Applikations-Schaltung
Veröffentlichungsdatum: 2025-06-09
| Aktualisiert: 2025-06-11
