TE Connectivity
Platine-zu-Platine Steckbrücken mit Schraubanschluss
2-Positions-Anschlüsse für LED-Anwendungen

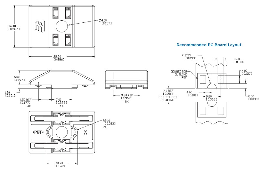
Diese TE Connectivity Platine-zu-Platine Steckbrücken mit Schraubanschluss ermöglichen einen elektrischen Anschluss zwischen zwei benachbarten Platinen in einer Reihe von Platinen. Verfügt über eine 2-Positions-Steckverbindung, die auf eine 16,5 mm breite Platine passt, welche mit einer Schraube an die Wärmesenke (oder an den Sockel) befestigt wird, um zu gewährleisten, dass die Kontakte der Steckverbindung vollständig auf die Platinenoberfläche gesetzt wurden. Die TE Connectivity Platine-zu-Platine Steckbrücken mit Schraubanschluss eignen sich für T8-T12 nachgerüstete LED- Fluoreszenzlampen, LED-Beleuchtungsstreifen und Kontrollen und Kanalbeschriftung.



TE Connectivity Platine-zu-Platine Steckbrücke










Produktliste anzeigen

Beschreibung
Diese Platine-zu-Platine, Steckbrücke mit Schraubanschluss ermöglicht einen elektrischen Anschluss zwischen zwei benachbarten Platinen in einer Reihe von Platinen.

Anwendungen
T8-T12 LED- Fluoreszenzlampen
LED- Beleuchtungsstreifen
LED Beleuchtungskontrollen
Kanalbeschriftung

Elektrischer
Betriebsstrom: 5Amp
Betriebsspannung: 250VAC/250VDC
Dielektrische Widerstandsspannung: 1500 VAC

Materialien
Kontakte: Kupferlegierung mit Zinn überzogen
Gehäuse: UL 94 V0 Thermoplast
ETL-anerkannt, Datei-Nr. 3178692CRT-001 gemäß UL (1977)

Mechanisch
Betriebstemperatur: -40ºC bis 105ºC
Steckzyklen: 10
Anzugsdrehmoment: 0,11Nm [0,97 Lb-ln] max.

Normen und Spezifikationen
114-13260: Spezifikation für Steckbrücke mit Schraubenanschluss
108-2392:


Schlüsselmerkmale

  • 2 Positionen Steckverbindung
  • Steckverbindung Befestigung an die benachbarte Platine mit einer Schraube bis die Wärmesenke vollständig mit den elektrischen Anschlüssen gegen die Oberflächen der Platine sitzt.
  • Steckverbindung passt in eine 16,50mm [,650] breite Leiterplatte
  • 7,0mm [,276] Platinenabstände
  • Registrierungsmerkmale der Steckverbindung passen sich den Ausschnitten der Leiterplatte an
  • Nr. 6 Schrauben (nicht inbegriffen) sichern die Steck verbindung zum Gewindeloch in der Wärmesenke oder dem Sockel.
  • Nr. 6 Schrauben sollten verzinkt oder mit einem ähnlichen schützenden Überzug versehen sein, um gegen Korrosion zu schützen
  • Vom Kunden bereitgestellte Nr. 6 Schrauben
  • Einzelteile im Rohrpaket
  • RoHS-konform


Ähnliche Produkte:
Endkappen und SMT-Bausätze-









Produktabmessungen







  • TE Connectivity
  • Lighting
  • Connectors|Lighting Connectors
Veröffentlichungsdatum: 2010-03-25 | Aktualisiert: 2022-03-11