Texas Instruments AMC0386 und AMC0386-Q1 Isolierte Modulatoren
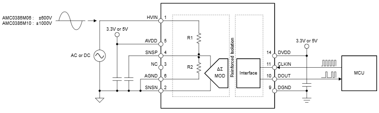
Die isolierten Modulatoren AMC0386 und AMC0386-Q1 von Texas Instruments sind präzise, galvanisch isolierte Delta-Sigma (ΔΣ)-Modulatoren mit einem Hochspannungseingang mit hoher Impedanz und einem externen Takt. Diese Modulatoren arbeiten mit einem Versorgungsspannungsbereich von 3 V bis 5,5 V für die High-Side (AVDD) und 2,7 V bis 5,5 V für die Low-Side (DVDD). Die isolierten Modulatoren AMC0386 und AMC0386-Q1 zeichnen sich durch eine nominalen Takt von 10 MHz Frequenz (minimalen) hohen CMTI 150V/ns und eine verstärkte Isolierung von bis zu 5kV RMS(60 s) aus. Diese Modulatoren sind in einem 15-poligen SSOP-Gehäuse mit 0,65 mm Rastermaß erhältlich und sind vollständig im Temperaturbereich von -40 °C bis 125 °C spezifiziert. Die AMC0386-Q1 Bauteile sind AEC-Q100-qualifiziert für Fahrzeuganwendungen. Typische Applikationen sind Traktionswechselrichter, On-Board-Ladegeräte, DC/DC-Wandler, Batterieanschlussboxen, Server-Netzteile (PSU), Energiespeichersyteme (ESS), Solarwechselrichter und EV-Ladestationen.Merkmale
- AEC-Q100-qualifiziert für Fahrzeuganwendungen:
- -40 °C bis 125 °C, T ATemperaturklasse 1
- Integrierter Hochspannungs-Widerstandsteiler zur direkten AC- oder DC-Spannungsmessung ohne externe Widerstände
- Versorgungsspannungsbereich:
- 3 V bis 5,5 V High-Side (AVDD)
- Low-Side (DVDD): 2,7 V – 5,5 V
- Geringe DC-Fehler:
- ±0,9 mV (maximal) Offset-Fehler
- ±7µV/°C (maximal) Offset-Drift
- ±0,25 % (maximal) Dämpfungsfehler
- ±30 ppm/°C (maximal) Dämpfungs-Drift
- 150V/ns (Minimum) hoher CMTI
- Fehlende High-Side-Versorgungserkennung
- Erfüllt die Grenzwerte von CISPR-11 und CISPR-25, niedrige EMI
- Verfügbare Eingangsoptionen:
- AMC0386M06/-Q1 ±600 V, 10 MΩ
- AMC0386M06/-Q1: ±1.000 V, 12,5 MΩ
- Sicherheitsbezogene Zertifizierungen:
- 7.000 V PKverstärkte Isolierung gemäß DIN EN IEC 60747-17 (VDE 0884-17)
- 5.000 VRMS Isolierung für 1 Minute gemäß UL1577
Applikationen
- Server-Netzteile (PSU)
- Energiespeicher Systeme (ESS)
- Solar Umrichter
- EV-Ladestationen
- Traktionsstromrichter
- On-Board-Ladegeräte
- DC/DC-Wandler
- Batterienanschlussboxen
Typisches Applikationsdiagramm
Funktionales Blockdiagramm
Empfohlenes Layout
Datenblätter
Veröffentlichungsdatum: 2026-01-13
| Aktualisiert: 2026-02-03
