Texas Instruments AMC131M03/AMC131M03-Q1 24-Bit-Delta-Sigma-ADC
Der isolierte 24-Bit-Delta-Sigma-Analog-Digital-Wandler (ADC) der Baureihe AMC131M03/AMC131M03-Q1 von Texas Instruments ist ein präziser Dreikanal-24-Bit-Delta-Sigma-ADC (Δ,Σ) mit Daten- und Leistungsisolierung. Der AMC131M03AMC131M03/AMC131M03-Q1 bietet einen großen Dynamikbereich von energiemessspezifischen und stromsparenden Funktionen für Leistungsmetrologie- und Energiemessapplikationen. Die ADC-Eingänge können aufgrund der hohen Eingangsimpedanz des Bauteils direkt mit einem Shunt-Stromsensor oder einem Widerstandsteiler-Netzwerk verbunden werden.Der AMC131M03AMC131M03/AMC131M03-Q1 verfügt über einen vollständig integrierten isolierten DC/DC-Wandler, der einen Einzelversorgungsbetrieb von der Low-Side des Bauteils ermöglicht. Die verstärkte kapazitive Isolationsbarriere ist gemäß UL1577 und VDE 0884-17 zertifiziert. Diese Isolationsbarriere trennt Teile des Systems zum Schutz von Niederspannungsteilen vor Schäden. Das Bauteil wird auf verschiedenen Gleichtaktspannungspegeln betrieben, wodurch der AMC131M03AMC131M03/AMC131M03-Q1 eine ausgezeichnete Wahl für mehrphasige Energiemessapplikationen mit Shunt-Stromsensoren ist. Die AMC131M03-Q1 Bauteile von Texas Instruments sind gemäß AEC-Q100 für Fahrzeuganwendungen zugelassen.
Merkmale
- Drei isolierte, simultan abtastende Δ-Σ-ADCs mit differentiellen oder einendigen Eingängen
- Einzelversorgungsbetrieb (3,3 V oder 5 V) mit integriertem DC/DC-Wandler
- Niedrige EMI, welche die Standards CISPR-11 und CISPR-25 erfüllt
- Programmierbare Datenrate bis zu 64 kSPS
- Programmierbare Verstärkung bis zu 128
- Interne Spannungsreferenz mit geringer Abweichung:
- Interner Temperatursensor
- Vierdrähtige SPI-Schnittstelle mit zyklischer Redundanzprüfung (CRC)
- Sicherheitsbezogene Zulassungen
- 7070 V verstärktePEAK -Isolierung nach DIN EN IEC 60747-17 (VDE 0884-17)
- 5000 VRMS -Isolierung für 1 Minute per UL1577
- 20-Pin-Wide-Body-SOIC-Gehäuse
- Betriebstemperaturbereich: -40°C bis +125°C
Applikationen
- Stromzähler (Gewerbegebäude und Wohnhäuser)
- Leistungsschalter
- EV-Ladestationen
- Batteriemanagementsysteme
Datenblätter
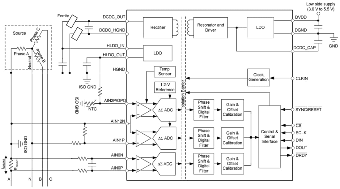
Funktionales Blockdiagramm
Veröffentlichungsdatum: 2023-12-18
| Aktualisiert: 2024-01-04
