Texas Instruments bq25180 Lineares Ladegerät
Das Texas Instruments bq25180 lineare Ladegerät konzentriert sich auf eine kleine Lösungsgröße und einen niedrigen Ruhestrom zur Verlängerung der Batterielaufzeit. Das Bauteil ist in einem 8-Ball-Chip-Scale-Gehäuse verfügbar, das für die Herstellung keinen HDI-PCB-Prozess benötigt, wodurch die PCB-Kosten reduziert werden. Das Bauteil kann bis zu 1 A laden und Systemlasten von bis zu 2,5 A unterstützen.Die Batterie wird mit einem Standard-Li-Ion- oder LiFePO4-Ladeprofil mit drei Phasen geladen: Vorladung, Konstantstrom und Konstantspannung. Die Wärmeregelung bietet den maximalen Ladestrom bei gleichzeitiger Verwaltung der Gerätetemperatur. Darüber hinaus ist das Ladegerät für ein Batterie-zu-Batterie-Laden mit einem minimalen Eingangsspannungsbetrieb von 3 V optimiert und kann absoluten maximalen Leitungstransienten von 25 V standhalten. Das bq25180 von Texas Instruments enthält einen einzelnen Drucktasten-Eingangs- und eine Reset-Schaltung zur Reduzierung des gesamten Footprints der Lösung.
Merkmale
- Lineares 1-A-Leistungspfad-Ladegerät
- Eingangsspannungsbereich von 3,0 V bis 5,9 V, der für ein Batterie-zu-Batterie-Laden und einen USB-Adapter optimiert ist
- Tolerante Eingangsspannung: 25 V
- Konfigurierbare Batterieregelungsspannung mit einer Genauigkeit von 0,5 % von 3,6 V bis 4,65 V in 10-mV-Schritten
- Konfigurierbarer Schnellladestrom: 5 mA bis 1 A
- Batterie-FET-Einschaltwiderstand: 55 mΩ
- Bis zu 2,5 A Entladestrom zur Unterstützung hoher Systemlasten
- Konfigurierbarer Abschaltstrom bis hinunter zu 0,5 mA
- Konfigurierbare NTC-Ladeprofil-Schwellenwerte, einschließlich JEITA-Unterstützung
- Leistungszyklus und erweiterte Reset-Mechanismen zur Wiederherstellung des Systems
- Leistungspfadmanagement für den Betrieb des Systems und das Laden der Batterie
- Geregelte Systemspannung (SYS) von 4,4 V bis 4,9 V zusätzlich zu Batteriespannungs-Nachverfolgungs- und Eingangs-Durchsatzoptionen
- Konfigurierbare Eingangsstrombegrenzung
- Wählbarer Adapter oder Batteriestrom für das System
- Dynamisches Leistungspfadmanagement optimiert das Aufladen von schwachen Adaptern
- Extrem niedrige Ruhestrommodi
- Abschaltmodus: 15 nA
- Versandmodus mit Tastendruck-Aktivierung: 3,2 µA
- 3 µA im Nur-Batterie-Modus
- Eingangsadapter-Iq im Schlafmodus: 30 µA
- Eine Drucktasten-Aktivierung und ein Reset-Eingang
- Integrierter Fehlerschutz
- Eingangsüberspannungsschutz (VIN_OVP)
- Batterie-Unterspannungsschutz (VBUVLO)
- Batterie-Kurzschluss-Sicherung (BATSC)
- Batterie-Überstromschutz (BATOCP)
- Eingangsstrombegrenzungsschutz (ILIM)
- Thermische Regelung (TREG) und thermische Abschaltung (TSHUT)
- Thermischer Batteriefehlerschutz (TS)
- Watchdog- und Sicherheits-Timer-Fehler
- System-Kurzschluss-Sicherung
- System-Überspannungsschutz
Applikationen
- TWS-Kopfhörer und Ladegehäuse
- Smart-Brillen, AR und VR
- Smart Watches und weitere Wearables
- Automatisierung und Zahlung im Einzelhandel
- Gebäudeautomatisierung
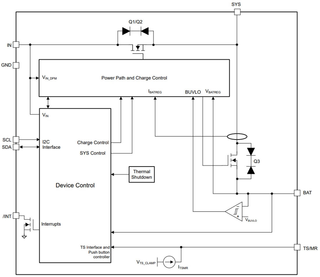
Funktionales Blockdiagramm
Veröffentlichungsdatum: 2022-03-01
| Aktualisiert: 2024-01-03
