Texas Instruments bq25758S Bidirektionaler Buck-Boost-Controller
Der Texas Instruments bq25758S bidirektionale Buck-Boost-Controller ist ein bidirektionaler Buck-Boost-Controller mit großer Eingangsspannung, der in beide Richtungen schaltet. Das Bauteil bietet eine Leistungsumwandlung mit hohem Wirkungsgrad und eine CC-CV-Steuerung des Ausgangs über einen großen Spannungsbereich. Das Bauteil integriert die gesamte Schleifenkompensation für den Buck-Boost-Wandler und bietet so eine Lösung mit hoher Dichte und einfacher Handhabung. Im Rückwärtsmodus bezieht das Bauteil Strom von der Ausgangsversorgung und regelt die Eingangsklemmspannung mit einer zusätzlichen Konstantstromschleife zum Schutz.Der bq25758S von Texas Instruments unterstützt neben dem I2C-Host-gesteuerten Modus auch programmierbare Hardware-Grenzwerte. Mit einem einzigen Widerstand an den IIN - und IOUT -Pins können die Regelungsziele des Eingangs- und Ausgangsstroms eingestellt werden. Das Bauteil ist standardmäßig so programmiert, dass es 5 V ausgibt. Die Ziel-Ausgangsspannung kann über die Bits des VOUT_REG-Registers angepasst werden.
Merkmale
- Großer Eingangsspannungsbereich: 4,4 V bis 26 V
- Synchroner DC/DC-Buck-Boost-Controller mit NFET-Treibern
- Schaltfrequenz anpassbar von 200 kHz bis 600 kHz
- Optionale Synchronisation mit externer Uhr
- Integrierte Schleifenkompensation mit Soft-Start
- Wählbarer PFM-Betrieb zur Verbesserung des Wirkungsgrads bei geringer Last
- Optionaler Gate-Treiber-Versorgungseingang für optimierten Wirkungsgrad
- Unterstützt USB-PD Extended Power Range (EPR) in Vorwärts- und Rückwärtsrichtung der Stromversorgung
- Einstellbare Eingangs- und Ausgangsspannungsregelung von 3,3 V bis 26 V mit 20 mV / Schritt
- Einstellbare Eingangs- und Ausgangsstromregelung (RAC_SNS, ROUT_SNS) von 400 mA bis 20 A mit 50 mA / Schritt unter Verwendung des 5-mΩ-Widerstands
- Hohe Genauigkeit
- ±2 % Ausgangsspannungsregelung
- ±3 % Ausgangsstromregelung
- ±2 % Eingangsspannungsregelung
- Eingangsstromregelung: ±3 %
- Bypass-Modus für höchsten Wirkungsgrad mit VOUT = VAC
- Nur-Buck-Modus
- I2C-gesteuert für optimale Systemleistung mit einer über einen Widerstand programmierbaren Option
- Per Hardware einstellbare Eingangs- und Ausgangsstromgrenzen
- Integrierter 16-Bit-ADC für Spannungs-, Strom- und Temperaturüberwachung
- Integration mit hoher Sicherheit
- Einstellbarer Über- und Unterspannungsschutz am Eingang
- Überspannungs- und Überstromschutz am Ausgang
- Übertemperaturschutz
- Statusausgänge
- Aktueller Status des Adapters (PG)
- Schalter-Betriebsstatus (STAT)
- 36-poliges 5mm × 6mm QFN-Gehäuse
Applikationen
- Docking-Station
- Monitor
- USB-PD EPR (Erweiterter Leistungsbereich)
- Abwärts-/Aufwärts- und Nur-Abwärtsbetrieb
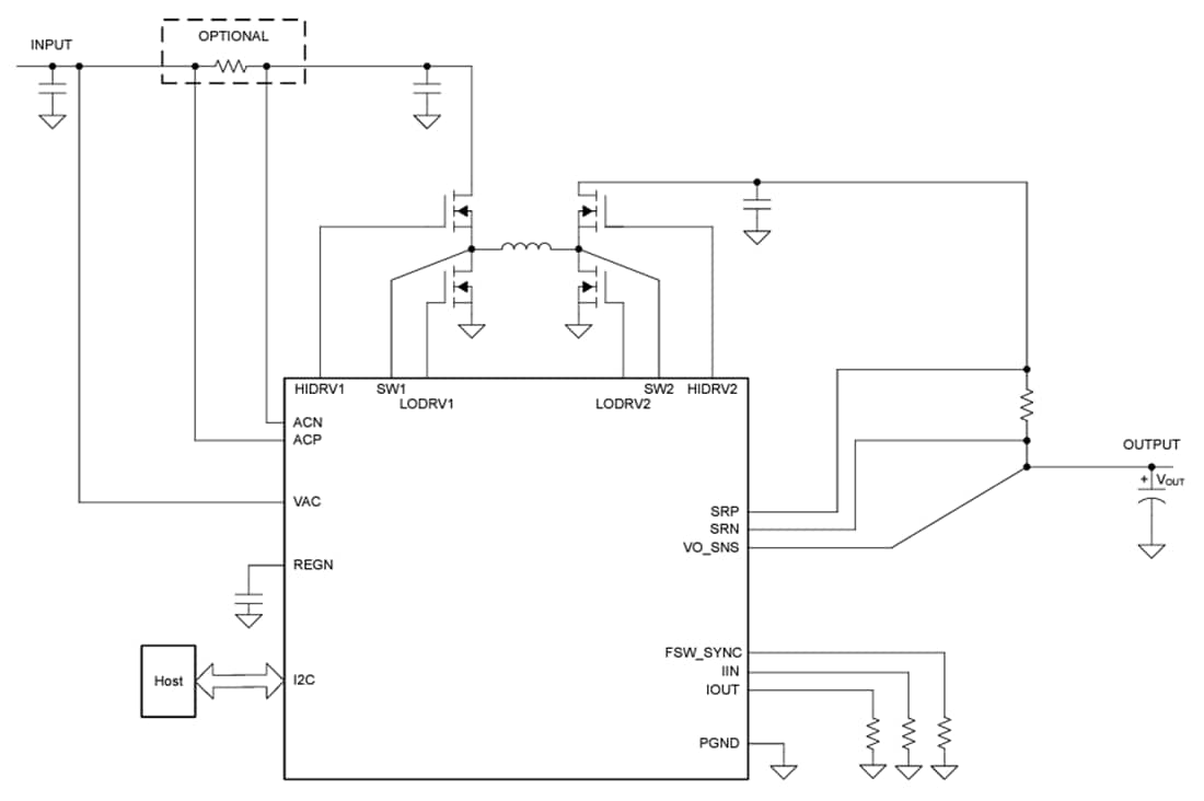
Vereinfachtes Schema
Veröffentlichungsdatum: 2024-09-24
| Aktualisiert: 2024-10-02
