Texas Instruments bq76942 Multizellen-Batterieüberwachung
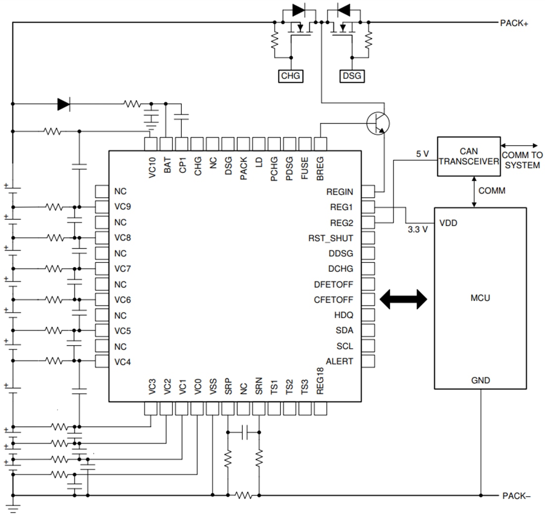
Die Texas Instruments bq76942 Multizellen-Batterieüberwachung ist eine hochintegrierte Batterieüberwachungs- und Schutzvorrichtung mit hoher Genauigkeit für 3- bis 10-reihige Li-Ion-, Li-Polymer- und LiFePO4-Akkus. Das Bauteil umfasst ein Überwachungssystem mit hoher Genauigkeit, ein hochkonfigurierbares Schutz-Subsystem und eine Unterstützung für einen autonomen oder Host-gesteuerten Zellenausgleich. Die Integration umfasst High-Side-Ladungspumpen-NFET-Treiber, duale programmierbare LDOs für die externe Systemverwendung und eine Host-Kommunikations-Peripherie, die I2C-, SPI- und HDQ-Eindraht-Standards von 400 kHz unterstützt. Das bq76942 Bauteil von Texas Instruments ist in einem 48-Pin-TQFP-Gehäuse verfügbar.Merkmale
- Batterieüberwachungsfunktion für 3- bis 10-reihige Zellen
- Integrierte Ladungspumpe für High-Side-NFET-Schutz mit optionaler autonomer Wiederherstellung
- Umfassende Schutzsuite, einschließlich Spannungs-, Temperatur-, Strom- und interne Diagnosefunktionen
- Zwei unabhängige ADCs
- Unterstützung für gleichzeitige Strom- und Spannungsabtastung
- Coulomb-Zähler mit hoher Genauigkeit und Eingangs-Offset-Fehler von < 1 µV (typisch)
- Messung der Zellenspannung mit hoher Genauigkeit: < 10 mV (typisch)
- Große Auswahl von Stromapplikationen (±200 mV Messbereich über den Messwiderstand)
- Integrierter sekundärer Antriebsschutz für chemische Sicherungen
- Autonomer oder Host-gesteuerter Zellenausgleich
- Mehrere Leistungsmodi (typische Betriebsbereichsbedingungen für Akkus)
- NORMAL-Modus (286 µA)
- Mehrere SLEEP-Modus-Optionen (24 µA bis 41 µA)
- Mehrere DEEPSLEEP-Modus-Optionen (9 µA bis 10 µA)
- SHUTDOWN-Modus (1 µA)
- Hochspannungstoleranz von 85 V auf Zellenanschluss und Auswahl zusätzlicher Pins
- Tolerant gegenüber zufälliger Zellenanschlusssequenz auf der Produktionslinie
- Unterstützung für die Temperaturmessung mit einem internen Sensor und bis zu neun externen Thermistoren
- Integrierter One-Time-Programmable-Speicher (OTP), der von Kunden auf der Produktionslinie programmierbar ist
- Kommunikationsoptionen umfassen I2C-, SPI- und HDQ-Eindraht-Schnittstelle von 400 kHz
- Dual-programmierbare LDOs für die externe Systemnutzung
- 48-Pin-TQFP-Gehäuse (PFB)
Applikationen
- Kabellose Elektro- und Gartenwerkzeuge
- Staubsauger
- E-Bike, E-Scooter und LEV
- Nicht-militärische Drohnen
- Weitere Industrie-Akkus (3-Baureihe bis 10-Baureihe)
Vereinfachter Schaltplan
Veröffentlichungsdatum: 2021-02-22
| Aktualisiert: 2022-03-11
