Texas Instruments bq76952 Batterieüberwachungs- und Schutzvorrichtung mit hoher Genauigkeit
Texas Instruments bq76952 Batterieüberwachungs- und Schutzvorrichtung mit hoher Genauigkeit ist für 3-Zellen- bis 16-Zellen-Li-Ionen, Li-Polymer- und LiFePO4 -Akkus ausgelegt. Das Bauteil umfasst ein Überwachungssystem mit hoher Genauigkeit, ein hochgradig konfigurierbares Schutz-Subsystem und Unterstützung für einen autonomen oder Host-gesteuerten Zellenausgleich. Die Integration umfasst High-Side-Ladungspumpentreiber-NFET-Treiber, zwei programmierbare LDOs für die Verwendung in externen Systemen und eine Host-Kommunikationsperipherie, die I2C-, SPI- und HDQ-Eindrahtstandards von 400 kHz unterstützt. Das bq76952 Bauteil von Texas Instruments ist in einem 48-Pin-TQFP-Gehäuse erhältlich.Merkmale
- Batterieüberwachungsfunktion für 3- bis 16-reihige Zellen
- Integrierte Ladungspumpe für High-Side-NFET-Schutz mit optionaler autonomer Wiederherstellung
- Umfassende Schutzsuite, einschließlich Spannungs-, Temperatur-, Strom- und interne Diagnosefunktionen
- Zwei unabhängige ADCs
- Unterstützung für gleichzeitige Strom- und Spannungsabtastung
- Coulomb-Zähler mit hoher Genauigkeit und Eingangsoffsetfehler < 1 µV (typisch)
- Hochgenaue Messung der Zellenspannung < 10 mV (typisch)
- Mehrere Stromversorgungsmodi (typische Bedingungen für den Betriebsbereich des Akkus)
- NORMAL-Modus (286 µA)
- Mehrere SLEEP-Modus-Optionen (24 µA bis 41 µA)
- Mehrere DEEPSLEEP-Modus-Optionen (9 µA bis 10 µA)
- SHUTDOWN-Modus (1 µA)
- Stromapplikationen mit großem Bereich (Messbereich über den Messwiderstand von ±200 mV)
- Integrierter sekundärer Antriebsschutz für chemische Sicherungen
- Autonomer oder Host-gesteuerter Zellenausgleich
- Hochspannungstoleranz von 85 V beim Zellenanschluss und Auswahl zusätzlicher Pins
- Tolerant gegenüber zufälliger Zellenanschlusssequenz auf der Produktionslinie
- Unterstützung für die Temperaturmessung mit einem internen Sensor und bis zu neun externen Thermistoren
- Integrierter einmalig programmierbarer (OTP) Speicher, der vom Kunden in der Produktionslinie programmiert werden kann
- Kommunikationsoptionen umfassen eine I2C-, SPI- und HDQ-Eindraht-Schnittstelle von 400 kHz
- Dual-programmierbare LDOs für die externe Systemnutzung
- 48-Pin-TQFP-Gehäuse (PFB)
Applikationen
- Batterie-Backup-Einheit (BBU)
- E-Bike, E-Scooter und LEV
- Kabellose Elektro- und Gartenwerkzeuge
- Nicht-militärische Drohnen
- Weitere Industrie-Akkus (≥ 10 S)
Weitere Ressourcen
- Design-Leitfaden: TIDA-010208
- Applikation Hinweis: Zellenausgleich mit bq769x2 Batterieüberwachung
- Applikation Hinweis: mehrere FETs mit der bq769x2 Batterieüberwachung
- Applikation Hinweis: Verwendungvon Low-Side-FETs mit der bq769x2 Batterie Überwachungs-Produkt Familie
- Applikation Bericht: bq769x2 Software-Entwicklung Leitfaden
- Applikation Bericht: bq76952 Hochspannungs-Stress Bericht
- Applikation Bericht: einfache Konfiguration von bq76942, bq76952 Batterieüberwachungen
- Applikation Bericht: Parallele Pfade mit der bq76952 Batterieüberwachungs-Produktfamilie
- Applikation Bericht: Pin-äquivalente Diagramme für bq76952, bq76942 und bq769142
- Programmier Anleitung: bq769x2 Kalibrierungs-und OTP-Programmieranleitung
- Testbericht: bq76942 IEC ESD 61000-4-2 Testbericht
- Benutzer Handbuch: bq76952 Technisches Referenzhandbuch
Elektroroller-Blockdiagramm
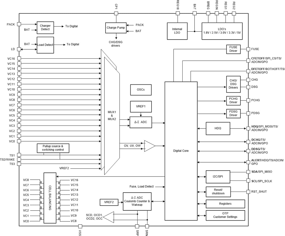
Batterieüberwachungs-Blockdiagramm
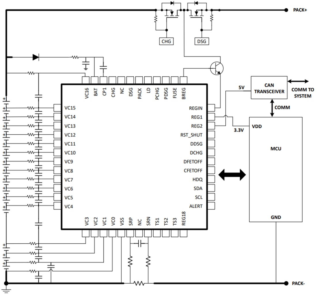
Vereinfachtes Schaltschema
Veröffentlichungsdatum: 2020-11-02
| Aktualisiert: 2024-09-16
