Texas Instruments BQ77915 Extrem stromsparender Akkuschutz
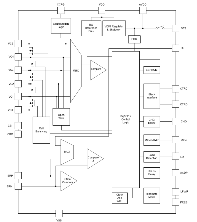
Der BQ77915 extrem stromsparende Akkuschutz von Texas Instruments setzt eine Reihe von Spannungs-, Strom- und Temperaturschutzfunktionen ein. Der BQ77915 verwendet einen Smart-Zellenausgleichs-Algorithmus ohne Einsatz eines Mikrocontrollers (MCU). Der BQ77915 Schutz ist für Akkus ausgelegt, die keine Host-Überwachung erfordern. Das Bauteil verwendet eine stapelbare Schnittstelle, die eine einfache Skalierung bietet, welche Batteriezellen-Applikationen von 3 bis 5 Serien und darüber unterstützt. Werkseitig programmierte Schwellenwerte für den Schutz und Verzögerungen sind in einer großen Auswahl von Konfigurationen erhältlich.Separate Übertemperatur- und Untertemperatur-Schwellenwerte für die Entladung (OTD und UTD) und Ladung (OTC und UTC) werden für zusätzliche Flexibilität bereitgestellt. Der Akkuschutz auf dem Gerät wird über direkte und unabhängige CHG-/DSG-Low-Side-NMOS-FET-Treiber unterstützt. Diese Treiber können über zwei Steuerungs-Pins deaktiviert werden. Diese Pins können auch verwendet werden, um Zellschutzlösungen für höhere Serien auf eine einfache und kostengünstige Art zu ermöglichen.
Diese Lösungen werden erreicht, indem höhere CHG- und DSG-Ausgänge des Bauteils zu den nächstniedrigen Bauteil-Steuerungspins kaskadiert werden. Überstromschutz-Entladungsverzögerungen können mit einem Widerstand programmiert werden, der mit einem OCDP-Pin mit VSS verbunden ist und somit eine Anpassungsfähigkeit ermöglicht. Der BQ77915 Schutz erreicht einen passiven Smart-Zellenausgleichs-Algorithmus durch integrierte FETs für Zellenausgleichsströme bis zu 50 mA.
Merkmale
- Skalierbare Zellenzahl von 3 bis 20 Serien oder darüber
- Spannungsschutz (Genauigkeit ±10 mV für OV, ±18 mV für UV)
- Überspannung: 3 V bis 4,575 V
- Unterspannung: 1,2 V bis 3 V
- Offene Zell- und offene Draht-Erkennung (OW)
- Stromschutz
- Überstromentladung 1: –10 mV bis –85 mV
- Überstromentladung 2: –20 mV bis 170 mV
- Kurzschlussentladung: –40 mV bis 340 mV
- Temperaturschutz
- Übertemperaturladung: 45 °C oder 50 °C
- Übertemperaturentladung: 65 °C oder 70 °C
- Unabhängige Ladungs-(CHG)- und Entladungs-(DSG)-FET-Treiber
- Smart-Zellenausgleichs-Algorithmus mit integrierten FETs (bis zu 50 mA Stromausgleich), unterstützt auch externe FETs für einen höheren Zellenausgleichsstrom
- Extrem stromsparender HIBERNATE-Modus
- Hohe absolute maximale Leistung pro Zelleneingang von 36 V
- Widerstandsprogrammierbare Überstrom-Verzögerung (OCD1/2)
- SHUTDOWN-Modus: max. 0,5 µA
- Sehr niedriger Ruhestrom: 8 µA typisch (NORMAL-Modus), 2 µA (HIBERNATE-Modus)
- Vollständige Reihe von Spannungs-, Strom- und Temperaturschutzfunktionen
- Passiver Smart-Zellenausgleich beseitigt die Unausgeglichenheit zwischen Zellen
Applikationen
- Elektrowerkzeuge, Gartenwerkzeuge
- Robotik-Staubsauger, Staubsauger, Hoverboards
- eBikes
- 10,8V- bis 72V-Akkus
Blockdiagramm
