Texas Instruments CD74AC238 3-zu-8-Leitungsdecoder/Demultiplexer
Die CD74AC238 3-zu-8-Leitungsdecoder/Demultiplexer von Texas Instruments wurden für hochleistungsfähige Speicherdecodierungs- und Datenweiterleitungsanwendungen entwickelt, die kurze Laufzeitverzögerungszeiten erfordern. In Hochleistungsspeichersystemen können die CD74AC238 Decoder von Texas Instruments die Auswirkungen der Systemdecodierung minimieren.Merkmale
- AC-Typen bieten einen Betrieb von 1,5 V bis 5,5 V und eine ausgeglichene Störfestigkeit bei 30 % der Versorgungsspannung
- Geschwindigkeit von bipolaren F, AS und S, mit deutlich reduziertem Stromverbrauch
- Speziell für Hochgeschwindigkeits-Speicherdecoder und Datenübertragungssysteme entwickelt
- Drei Aktivierungseingänge zur Vereinfachung der Kaskadierung und/oder des Datenempfangs
- Ausgeglichene Laufzeitverzögerungen
- ±24 mA Ausgangsantriebsstrom
- Fanout an 15 F-Bauteile
- SCR-Latch-up-beständiger CMOS-Prozess und Schaltungsdesign
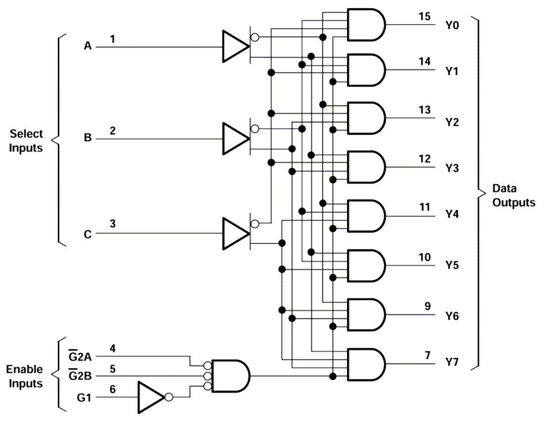
Funktionales Blockdiagramm
Veröffentlichungsdatum: 2024-08-23
| Aktualisiert: 2024-08-30
