Texas Instruments CD74ACT138 3-zu-8-Leitungsdecoder/Demultiplexer
Die CD74ACT138 3-zu-8-Leitungsdecoder/Demultiplexer von Texas Instruments wurden für hochleistungsfähige Speicherdecodierungs- und Datenweiterleitungsapplikationen ausgelegt, die kurze Laufzeiten erfordern. In Hochleistungsspeichersystemen können die CD74ACT138 Decoder von Texas Instruments die Auswirkungen der Systemdekodierung minimieren.Merkmale
- Die Eingänge sind TTL-Spannungs-kompatibel
- Geschwindigkeit von bipolaren F, AS und S, mit deutlich reduziertem Stromverbrauch
- Speziell für Hochgeschwindigkeits-Speicherdecoder und Datenübertragungssysteme entwickelt
- Ausgeglichene Laufzeitverzögerungen
- Drei Aktivierungseingänge zur Vereinfachung der Kaskadierung und/oder des Datenempfangs
- ±24 mA Ausgangsantriebsstrom
- Fanout an 15 F-Bauteile
- SCR-Latch-up-beständiger CMOS-Prozess und Schaltungsdesign
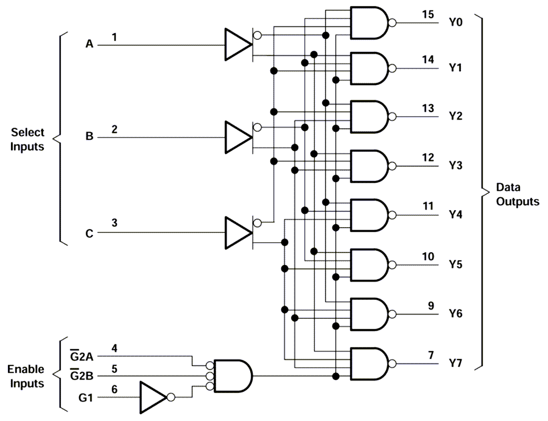
Funktionales Blockdiagramm
Veröffentlichungsdatum: 2024-08-23
| Aktualisiert: 2024-08-30
