Texas Instruments DAC38RFxx 9GSPS-14-Bit-DACs
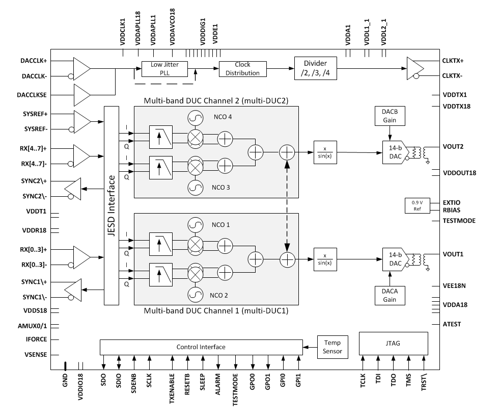
Texas Instruments DAC38RFxx 9-GSPS-14-Bit-Digital-Analog-Wandler (DACs) sind in der Lage, Breitbandsignale von 0 bis 4,5 GHz zu synthetisieren. Ein hoher Dynamikbereich ermöglicht es dem DAC38RFxx, Signale für eine große Auswahl von Applikationen zu generieren, darunter 3G-/4G-Signale für drahtlose Basisstationen. Diese Bauteile verfügen über eine stromsparende JESD204B-Schnittstelle mit bis zu 8 Leitungen. Darüber hinaus bieten sie eine maximale Bitrate und Eingangsdatenrate von 12,5 GBit/s bzw. komplexe 1,25 GSPS pro Kanal. Der DAC38RFxx bietet zwei digitale Aufwandler pro Kanal mit mehreren Optionen für Interpolationsraten. Ein digitaler Quadraturmodulator mit unabhängigen, frequenzflexiblen NCOs steht zur Unterstützung eines Multibandbetriebs zur Verfügung. Ein optionaler PLL/VCO mit geringem Jitter vereinfacht die DAC-Abtast-Takterzeugung, indem er die Verwendung eines Referenztaktes mit niedriger Frequenz ermöglicht.Merkmale
- 14-Bit-Auflösung
- Maximale DAC-Abtastrate: 9 GSPS
- Wichtige technische Daten:
- HF-Ausgangsleistung bei 2,1 GHz:
- DAC38RF80/90/84: 0 dBm
- DAC38RF83/93/85: 3 dBm (mit 2:1 Balun)
- Spektrale Leistungsfähigkeit (On-Chip-PLL, DIFF):
- fDAC = 5.898,24 MSPS, fOUT = 2,14 GHz
- WCDMA ACLR: 75 dBc
- WCDMA alt-ACLR: 77 dBc
- FDAC = 8.847,36 MSPS, fOUT = 3,7 GHz
- 20 MHz LTE ACLR: 63 dBc
- fDAC = 9 GSPS, fOUT = 1,8 GHz
- IMD3 = 70 dBc (–6 dBFS, 10 MHz Tonabstand)
- NSD = –157 dBc/Hz
- fDAC = 5.898,24 MSPS, fOUT = 2,14 GHz
- HF-Ausgangsleistung bei 2,1 GHz:
- Dual-Band-Digital-Aufwärtswandler pro DAC
- 6, 8, 10, 12, 16, 18, 20 oder 24x Interpolation
- 4 unabhängige NCOs mit 48-Bit-Auflösung
- JESD204B-Schnittstelle, Unterklasse 1
- Unterstützt Multi-Chip-Synchronisierung
- Maximale Spurrate: 12,5 GBit/s
- Einendiger Ausgang mit integriertem Balun (DAC38RF80/90/84) deckt 700 MHz bis 3.800 MHz ab
- Interne PLL und VCO mit Bypass
- fC(VCO) = 5,9 oder 8,9 GHz
- Verlustleistung: 1,4 bis 2,2 W/Kanal
- Netzteile: –1,8 V, 1 V, 1,8 V
- 144-Balls-Gehäuse: 10 x 10 mm BGA, 0,8 mm Rastermaß
Applikationen
- Drahtlose Kommunikation
- Kommunikationstestgeräte
- Generatoren mit arbiträren Wellenformen
- Software-basierte Funkgeräte für den Militärbereich
- Radar- und Satellitenkommunikation (SATCOM)
Blockdiagramm
Veröffentlichungsdatum: 2017-04-17
| Aktualisiert: 2022-04-25
