Texas Instruments DAC39RF12 und DAC39RFS12 DACs
Die Digital-Analog-Wandler (DACs) DAC39RF12 und DAC39RFS12 von Texas Instruments bieten Zwei- und Einzelkanaloptionen mit 16-Bit-Auflösung. DAC39RF12 und DAC39RFS12 können als nicht-interpolierende oder interpolierende DACs zur direkten RF-Abtastung oder zur Erzeugung komplexer Basisbandsignale verwendet werden. Die Geräte liefern eine maximale Eingangsdatenrate von 24 GSPS für einen einzelnen Kanal oder 12 GSPS für zwei Kanäle.Die DACs DAC39RF12 und DAC39RFS12 von TI können Signale mit einer Signalbandbreite von bis zu 12 GHz, 7,5 GHz und 6 GHz (8-, 12- und 16-Bit-Eingangsauflösung) bei Trägerfrequenzen von über 10 GHz erzeugen, was eine direkte Abtastung über das C-Band und darüber hinaus im X-Band ermöglicht.
Die hohe Abtastrate, der Ausgangsfrequenzbereich, die 64-Bit-NCO-Frequenzauflösung und die Fähigkeit zu frequenzgesteuerten Sprüngen mit Phasenkohärenz ermöglichen den Bauteilen die Erzeugung beliebiger Wellenformen (AWG) und die direkte digitale Synthese (DDS).
Die serielle Schnittstelle ist kompatibel mit JESD204B und JESD204C und verfügt über 16 Empfängerpaare, die bis zu 12,8 Gbit/s verarbeiten können. Die Schnittstelle erfüllt die Anforderungen des Standards JESD204B und JESD204C-Subklasse-1, um deterministische Latenz und die Synchronisierung von mehreren Geräten über SYSREF sicherzustellen.
Merkmale
- DAC-Kern mit 16-Bit, 12/24 GSPS, Multi-Nyquist
- Maximale Eingangsdatenrate:
- 8-Bit, Einzelkanal, DES-Modus bei 24 GSPS
- 12-Bit, Einzelkanal, DES-Modus bei 15,5 GSPS
- 16-Bit, Einzelkanal bei 12 GSPS
- 8-Bit, Zweikanal, 12 GSPS
- 12-Bit, Dual-Kanal bei 7,75 GSPS/ch
- 16-Bit, Dual-Kanal bei 6,2 GSPS/ch
- Ausgabebandbreite (-3 dB) bei 12 GHz
- Leistung bei fOUT = 2.997 GHz, DES2XL Modus, DEM/Dither aus
- Rauschpegel (kleines Signal) bei -155 dBFS/Hz
- SFDR (-0,1 dBFS) bei -60dBc
- IMD3 (-7 dBFS für jeden Ton) bei -60 dBc
- Additives Phasenrauschen, 10 kHz Offset bei -137 dBc/Hz
- Vier integrierte digitale Aufwärtswandler (DUC)
- Interpolation: 1x, 2x, 3x, 4x, 6x, 8x ... 256x
- Komplexer Basisband-DUC für die I/Q-Ausgabe
- Komplexe Real-Up-Konvertierung für Zweikanal-Direkt-RF-Abtastung
- NCOs mit 64-Bit-Frequenzauflösung
- Schnelle Rekonfigurationsschnittstelle für schnelles Frequenzspringen
- 4-Bit-Daten mit 200 MHz Takt
- 60 ns Rekonfiguration (32-Bit-Frequenz)
- Beliebiges Frequenzspringen mit Phasenkohärenz
- JESD204C-Schnittstelle
- Bis zu 16 Leitungen bei bis zu 12,8 Gbit/s
- Klasse CS, Subklasse-1-kompatibel
- Interne AC-Kopplungskondensatoren
- SYSREF-Fensterung zur automatischen SYSREF-Zeitkalibrierung
Applikationen
- Satellitenkommunikation (SATCOM)
- Phasenarray-Antennensysteme
- SAR-Erregereinrichtung für synthetisches Apertur Radar
- Tester für drahtlose Kommunikation
- Willkürlicher Wellenformgenerator (AWG)
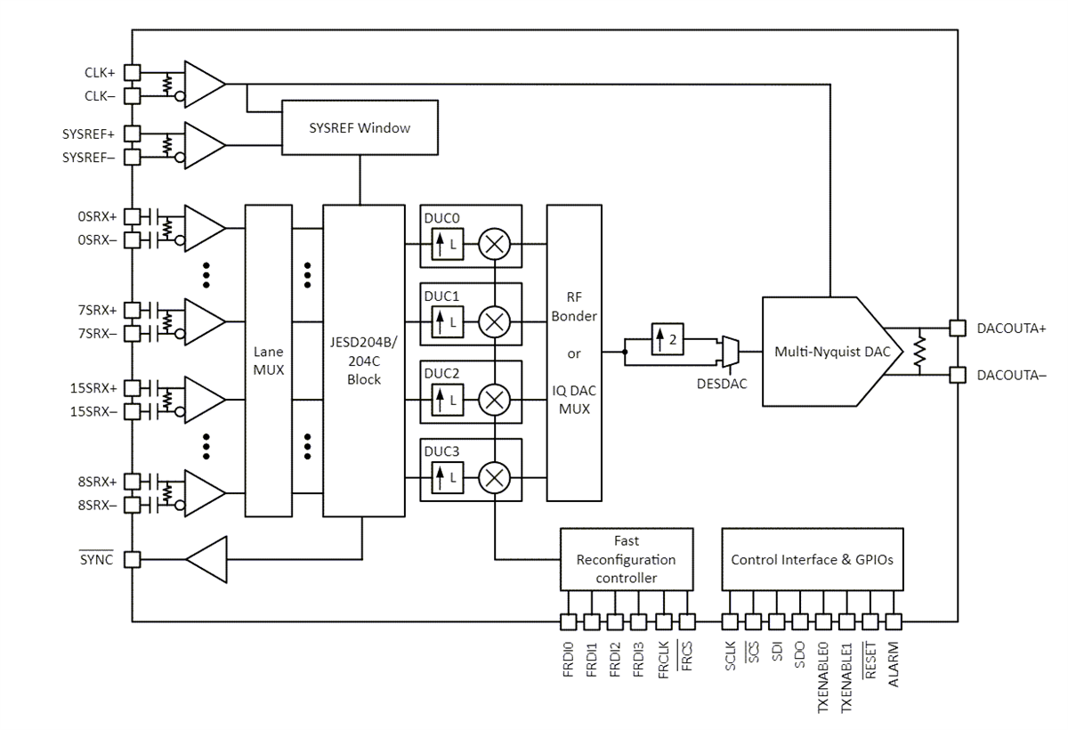
Einkanal - Blockdiagramm
Zweikanal-Blockdiagramm
