Texas Instruments DAC43902-Q1 Smart DAC für Kraftfahrzeuge
Der Smart DAC für Kraftfahrzeuge DAC43902-Q1 von Texas Instruments bietet vier PWM-Ausgänge, die auch als Trigger-Eingänge oder -Ausgänge dienen können. Der DAC43902-Q1 bietet eine vorkonfigurierte Zustandsmaschine, deren Logik logarithmisches Dimmen mit konfigurierbaren Zeitvorgaben generiert. Das PWM-basierte logarithmische Dimmen ist für logarithmische Ein- und Ausblendanwendungen in der Innen- und Außenbeleuchtung von Kraftfahrzeugen anwendbar. Der DAC43902-Q1 unterstützt auch sequentielle Animationsfunktionen für Kfz-Blinkerleuchten. Dieses Gerät verfügt über einen nichtflüchtigen Speicher (NVM) zur Speicherung der Konfigurationen. Diese intelligenten DACs sind in der Lage, ohne einen Prozessor (prozessorloser Betrieb) zu arbeiten und nutzen dabei GPIOs und NVM.Der Smart DAC für Kraftfahrzeuge DAC43902-Q1 von TI erkennt automatisch I2C oder SPI und verfügt über eine interne Referenz. Der Funktionsumfang, das winzige Gehäuse und der geringe Stromverbrauch machen den DAC43902-Q1 ideal für Anwendungen in der Fahrzeuglichtanimation.
Merkmale
- AEC-Q100-qualifiziert für Fahrzeuganwendungen:
- Temperaturklasse 1 von -40 °C bis +125 °C, TA
- Die digitalen Pins liefern eine Pulsweitenmodulation (PWM)-Ausgabe im Frequenzbereich von 218 Hz bis 48,8 kHz
- Logarithmische Verdunkelung
- LED-Ein- und Ausblendung mit GPIO-Steuerung
- Programmierbare Komparatoren und DACs, die als GPIOs genutzt werden können
- Automatische Erkennung von I2C oder SPI
- 1,62 V VIH mit VDD = 5,5 V
- Sequentielle Blinkeranimation
- VREF/MODE-Pin zur Auswahl zwischen Programmier- und Standalone-Modus
- Benutzerprogrammierbarer nichtflüchtiger Speicher (NVM)
- Interne, externe Stromversorgung oder als Referenz
- Umfangreicher Betriebsbereich
- Stromversorgung von 1,8 V bis 5,5 V
- Temperaturbereich von -40˚C bis +125˚C
- Winziges Gehäuse aus 16-poligem WQFN (3 mm × 3 mm)
Applikationen
- Rückleuchte
- Kleines Licht:
- Innenbeleuchtung
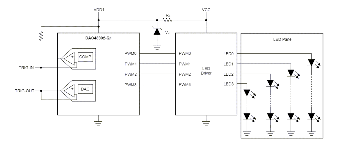
Sequentielle Blinkerzanimation mit DAC43902-Q1
Funktionsblockdiagramm
Weitere Ressourcen
Veröffentlichungsdatum: 2024-01-25
| Aktualisiert: 2025-05-06
