Texas Instruments DRV8300/DRV8300-Q1 Dreiphasen-Gate-Treiber
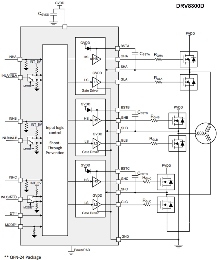
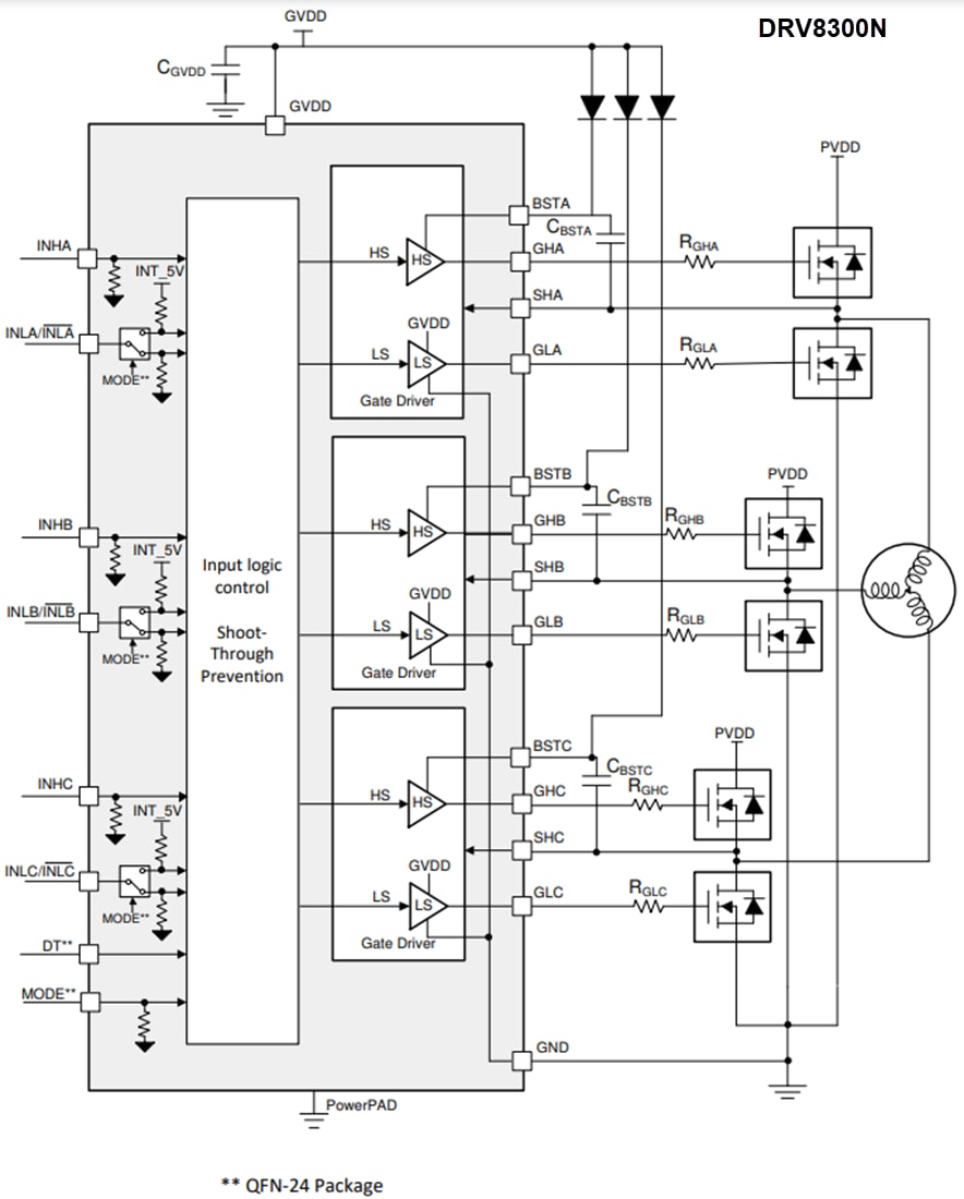
Die DRV8300/DRV8300-Q1 Dreiphasen-Gate-Treiber von Texas Instruments bieten drei Halbbrücken-Gate-Treiber, die jeweils High- und Low-Side-n-Kanal-n-Kanal-Leistungs-MOSFETs ansteuern können. Der DRV8300D/DRV8300D-Q1 erzeugt die richtigen Gate-Drive-Spannungen mit einer integrierten Bootstrap-Diode und einem externen Kondensator für die High-Side-MOSFETs. Der DRV8300N erzeugt die richtigen Gate-Drive-Spannungen mit einer externen Bootstrap-Diode und einem externen Kondensator für die High-Side-MOSFETs. GVDD wird zur Erzeugung einer Gate-Drive-Spannung für die Low-Side-MOSFETs verwendet. Die DRV8300/DRV8300-Q1 Gate-Drive-Architektur von Texas Instruments unterstützt einen Quellen-Spitzenstrom von bis zu 750 mA und einen Senkenstrom von 1,5 A.Die SHx-Phasenpins können die signifikanten negativen Spannungstransienten tolerieren, während die BSTx und GHx High-Side-Gate-Treiber-Versorgung die maximale Spannung von höheren positiven Spannungstransienten (115 V) unterstützen kann. Diese Funktion verbessert die Robustheit des Systems. Die geringe Ausbreitungsverzögerung und die Spezifikationen für die Verzögerungsanpassung minimieren die erforderliche Totzeit, was die Effizienz weiter erhöht. Ein Unterspannungsschutz wird sowohl für die Low- als auch die High-Side durch die GVDD- und BST-Unterspannungssperre bereitgestellt. Die DRV8300-Q1 Bauteile sind für Fahrzeuganwendungen AEC-Q100-qualifiziert.
Merkmale
- Ein Dreiphasen-Halbbrücken-Gate-Treiber
- Steuert drei High-Side- und drei Low-Side-n-Kanal-MOSFETs (NMOS) an
- Integrierte Bootstrap-Dioden (DRV8300D Bauteile)
- Unterstützt INLx-Eingänge mit invertierenden und nicht-invertierenden Eingängen
- Bootstrap-Gate-Drive-Architektur
- Quellenstrom: 750 mA
- Senkenstrom: 1,5 A
- Unterstützt Applikationen, die mit bis zu 15-s-Batterien betrieben werden
- Niedriger Ableitstrom auf den SHx-Pins (< 55 µA)
- Absolute maximale BSTx-Spannung von bis zu 115 V
- Unterstützt negative Transienten von bis zu -22 V auf SHx-Pins
- Integrierte Verhinderung von Querleitung
- Einstellbare Totzeit über einen DT-Pin für QFN-Gehäuseausführungen
- Feste Totzeiteinfügung von 200 ns für TSSOP-Gehäuseausführungen
- Unterstützt Logikeingänge von 3,3 V und 5 V mit absolutem Maximum von 20 V
- Typische Laufzeitverzögerungsanpassung: 4 ns
- Kompakte QFN- und TSSOP-Gehäuse
- Effizientes Systemdesign mit Leistungsblöcken
- Integrierte Schutzfunktionen
- BST-Unterspannungssperre (BSTUV)
- GVDD-Unterspannung (GVDDUV)
Applikationen
- E-Bikes, E-Scooter und E-Mobilität
- Lüfter, Pumpen und Servoantriebe
- Bürstenlose DC-Motormodule (BLDC) und PMSM
- Kabellose Garten- und Elektrowerkzeuge, Rasenmäher
- Kabellose Staubsauger
- Drohnen, Robotik und RC-Spielzeug
- Industrie- und Logistik-Roboter
Datenblätter
Veröffentlichungsdatum: 2021-01-19
| Aktualisiert: 2022-05-20
