Texas Instruments DRV8410 Dual-H-Brücken-Motortreiber

Der DRV8410 Dual-H-Brücken-Motortreiber von Texas Instruments verwaltet ein oder zwei DC-Bürstenmotoren, einen Schrittmotor, Magnete oder andere induktive Lasten. Die Dreifach-Ladungspumpe ermöglicht dem DRV8410 einen Betrieb bis hinunter zu 1,65 V und eignet sich für 1,8-V-Versorgungsschienen und bei schwachen Batterien. Die Ladungspumpe enthält alle Kondensatoren und liefert ein Tastverhältnis von 100 %. Währenddessen können die Ein- und Ausgänge parallelgeschaltet werden, um Hochstrom-Bürsten-DC-Motoren mit der Hälfte des RDS (ON) anzutreiben. Das Bauteil implementiert eine Stromregelung, indem eine interne Referenzspannung mit der Spannung an den xISEN-Pins verglichen wird, die über einen externen Messwiderstand proportional zum Motorstrom ist. Die Begrenzung des Stroms kann große Ströme während des Motorstarts und bei Motorstillständen erheblich verringern.

Ein stromsparender Ruhemodus erreicht eine extrem niedrige Ruhestromaufnahme, indem die meisten internen Schaltungen abgeschaltet werden. Interne Schutzfunktionen umfassen Unterspannungs-, Überstrom- und Übertemperaturschutz. Der DRV8410 ist Teil einer Produktfamilie von Bauteilen mit skalierbaren Pin-zu-Pin-RDS (ON) -Optionen zur Unterstützung verschiedener Lasten mit minimalen Designänderungen.

 

 

Merkmale

  • Dual-H-Brücken-Motortreiber, CAN-Treiber
    • Ein bipolarer Schrittmotor
    • Ein oder zwei Bürsten-DC-Motoren
    • Magnete und weitere induktive Lasten
  • Niedriger Einschaltwiderstand: HS + LS = 800 mΩ (typisch, 25 °C)
  • Großer Versorgungsspannungsbereich von 1,65 V bis 11 V
  • Pin-zu-Pin-kompatibel mit
    • DRV8833 mit 360 mΩ/Brücke
    • DRV8833C mit 1.735 mΩ/Brücke
    • DRV8847 mit 1.000 mΩ/Brücke
    • DRV8411 mit 400 mΩ/Brücke
    • DRV8411A mit 400 mΩ/Brücke
  • Hoher Spitzenausgangsstrom von 2,5 A
  • PWM-Steuerschnittstelle
  • Unterstützt 1,8-V-, 3,3-V- und 5-V-Logikeingänge
  • Integrierte Stromregelung
  • Ruhemodus mit geringem Stromverbrauch von ≤30 nA bei VVM = 5 V, TJ = +25 °C
  • Kleines Gehäuse und kleiner Footprint
    • 16-Pin-HTSSOP mit PowerPAD™, 5,0 mm x 4,4 mm
    • 16-Pin-WQFN mit PowerPAD™, 3,0 mm x 3,0 mm
  • Integrierte Schutzfunktionen
    • VM-Unterspannungssperre (UVLO)
    • Überstromschutz (OCP) mit automatischem Neustart
    • Thermische Abschaltung (TSD)
    • Fehler-Anzeigepin (nFAULT)

Applikationen

  • Batteriebetriebenes Spielzeug
  • POS-Drucker
  • Sicherheitsvideokameras
  • Büroautomatisierungsmaschinen
  • Spielautomaten
  • Robotik
  • Smart-Elektronikschlösser
  • Universal-Magnetlasten

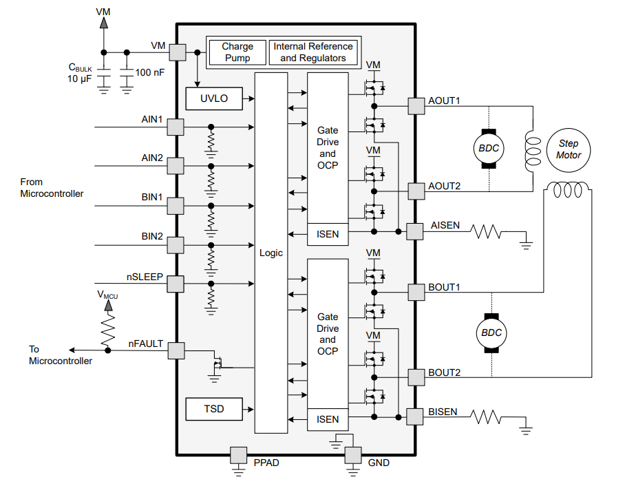
Vereinfachter Schaltplan

Schaltplan - Texas Instruments DRV8410 Dual-H-Brücken-Motortreiber

Funktionales Blockdiagramm

Blockdiagramm - Texas Instruments DRV8410 Dual-H-Brücken-Motortreiber
Veröffentlichungsdatum: 2022-12-19 | Aktualisiert: 2024-07-15