Texas Instruments DRV8770 100-V-Bürsten-DC-Gate-Treiber

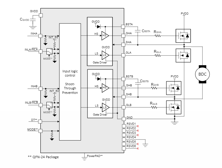
Der DRV8770 100-V-Bürsten-DC-Gate-Treiber von Texas Instruments bietet drei Halbbrücken-Gate-Treiber, die jeweils High- und Low-Side-n-Kanal-Leistungs-MOSFETs ansteuern können. Die integrierte Bootstrap-Diode und der externe Kondensator erzeugt die richtigen Gate-Drive-Spannungen für die High-Side-MOSFETs, während der GVDD die Gates auf den Low-Side-MOSFETs ansteuern. Die Gate-Drive-Architektur unterstützt Gate-Drive-Ströme von bis zu 750 mA Quelle und 1,5 A Senke. Die Hochspannungstoleranz der Gate-Drive-Pins verbessert die Systemrobustheit.

Der DRV8770 100-V-Bürsten-DC-Gate-Treiber von TI bietet SHx-Phasenpins, um signifikante negative Spannungstransienten zu tolerieren. Gleichzeitig kann die High-Side-Gate-Treiber-Versorgung höhere positive Spannungstransienten (absolutes Maximum von 115 V) auf den BSTx- und GHx-Pins unterstützen. Der Wirkungsgrad wird durch die Verwendung der kleinen Laufzeitverzögerung und der Verzögerungsanpassungs-Spezifikationen weiter verbessert, um die Totzeit-Anforderungen zu reduzieren. Ein Unterspannungsschutz wird sowohl für die Low- als auch die High-Side durch die GVDD- und BST-Unterspannungssperre bereitgestellt.

Merkmale

  • 100-V-H-Brücken-Gate-Treiber
    • Steuert n-Kanal-MOSFETs (NMOS) an
    • Gate-Treiber-Versorgung (GVDD) von 5 V bis 20 V
  • MOSFET-Versorgung (SHx) unterstützt bis zu 100 V
  • Integrierte Bootstrap-Dioden
  • Unterstützt invertierende und nicht-invertierende INLx-Eingänge (QFN-Gehäuse)
  • Bootstrap-Gate-Drive-Architektur
    • Quellenstrom: 750 mA
    • Senkenstrom: 1,5 A
  • Unterstützt Applikationen, die mit bis zu 15-s-Batterien betrieben werden
  • Niedriger Ableitstrom auf SHx-Pins (<55 µA)
  • Absolute maximale BSTx-Spannung von bis zu 115 V
  • Unterstützt negative Transienten bis hinunter zu -22 V auf SHx-Pins
  • Einstellbare Totzeit über den DT-Pin im QFN-Gehäuse
  • Feste Totzeiteinfügung von 200 ns im TSSOP-Gehäuse
  • Unterstützt Logikeingänge von 3,3 V und 5 V mit absolutem Maximumg von 20 V
  • Typische Laufzeitverzögerungsanpassung von 4 ns
  • Kompakte QFN- und TSSOP-Gehäuse und Anschlussflächen
  • Effizientes Systemdesign mit Leistungsblöcken
  • Integrierte Schutzfunktionen
    • BST-Unterspannungssperre (BSTUV)
    • GVDD-Unterspannung (GVDDUV)

Applikationen

  • E-Bikes, E-Scooter und E-Mobilität
  • Kabellose Garten- und Elektrowerkzeuge, Rasenmäher
  • Kabellose Staubsauger
  • Drohnen, Robotik und RC-Spielzeug
  • Industrie- und Logistik-Roboter
  • Elektrowerkzeuge

Vereinfachter Schaltplan

Schaltplan - Texas Instruments DRV8770 100-V-Bürsten-DC-Gate-Treiber

Blockdiagramm

Blockdiagramm - Texas Instruments DRV8770 100-V-Bürsten-DC-Gate-Treiber
Veröffentlichungsdatum: 2022-03-14 | Aktualisiert: 2023-04-12