Texas Instruments DRV8842 Motortreiber

Texas Instruments DRV8842 Motortreiber bieten eine integrierte Motortreiberlösung für Drucker, Scanner und andere automatisierte Geräteapplikationen. Diese Treiber arbeiten in einem Versorgungsspannungsbereich von 8,2 V bis 45 V. Der DRV8842 Treiber enthält einen H-Brückentreiber und ist zum Ansteuern eines DC-Motors, einer Spule eines Schrittmotors oder sonstiger Lasten ausgelegt. Der Ausgangstreiberblock besteht aus n-Kanal-Leistungs-MOSFETs, die als H-Brücke konfiguriert sind. Der DRV8842 kann bis zu 5 A Spitzen- oder 3,5 A RMS Ausgangsstrom liefern. Funktionen umfassen Überstromschutz, Kurzschlusssicherung, Unterspannungssperre und Übertemperaturschutz. Weitere Applikationen sind Büroautomatisierungsmaschinen, Spielautomaten, Fabrikautomatisierung und Robotik. Im Vergleich zum DRV8842 spart der neue DRV8874 durch die Eliminierung von Messwiderständen BOM, Platz und Kosten.

Merkmale

  • Einzelner H-Brücken-Motortreiber mit Stromregelung
  • 8,2 V bis 45 V Betriebsversorgungsspannungsbereich
  • Fünf-Bit-Wicklungsstrom-Steuerung ermöglicht bis zu 32 Strompegel
  • Niedriger MOSFET RDS(on) 0,2 Ω (HS + LS) (typisch)
  • Antriebsstrom bei 24 V und 25 °C: 5 A (max.)
  • Eingebauter 3,3-V-Referenzausgang
  • PWM-Steuerungsschnittstelle nach Industriestandard
  • Thermisch verstärktes Gehäuse zur Oberflächenmontage
  • Schutzfunktionen:
    • Überstromschutz (OCP)
    • Thermische Abschaltung (TSD)
    • VM-Unterspannungssperre (UVLO)
    • Fehlerbedingungs-Anzeigepin (nFAULT)

Applikationen

  • Drucker
  • Scanner
  • Büroautomatisierungsmaschinen
  • Spielautomaten
  • Fabrikautomatisierung
  • Robotik

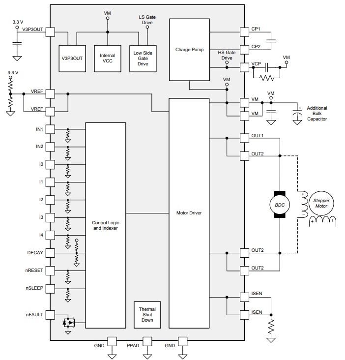
DRV8842 Blockdiagramm

Blockdiagramm - Texas Instruments DRV8842 Motortreiber

DRV8842 Schaltpläne

Schaltplan - Texas Instruments DRV8842 Motortreiber
Veröffentlichungsdatum: 2019-03-28 | Aktualisiert: 2023-08-11