Texas Instruments DS250DF410 Multiraten-Vierkanal-Timer
Texas Instruments DS250DF410 Multiraten-Vierkanal-Timer ist ein Vierkanal-Multiraten-Retimer mit integrierter Signalkonditionierung. Er wird verwendet, um die Reichweite und die Robustheit von langen, verlustreichen, durch Übersprechung beeinträchtigten seriellen Hochgeschwindigkeits-Verbindungen zu erweitern, während er eine Bitfehlerrate (BER) von 10 bis 15 oder weniger erreicht. Jeder Kanal des DS250DF410 sperrt unabhängig von den seriellen Datenraten in einem kontinuierlichen Bereich von 20,6 Gbit/s bis 25,8 Gbit/s. Dieses Bauteil unterstützt auch Unterraten (÷2 und ÷4), einschließlich der wichtigsten Datenraten wie 10,3125 Gbit/s und 12,5 Gbit/s. Dadurch kann der DS250DF410 den Durchlauf der vorwärts gerichteten Fehlerkorrektur (FEC) der einzelnen Leitungen unterstützen.Merkmale
- Quadkanal-Multiraten-Retimer mit integrierter Signalkonditionierung
- Alle Kanäle sperren unabhängig von 20,6 bis 25,8 Gbit/s (einschließlich Sub-Raten wie 10,3125 Gbit/s, 12,5 Gbit/s und mehr)
- Extrem niedrige Latenz:
- Einzelne Stromversorgung, kein jitterarme Referenz
- Takt erforderlich und minimale Entkopplung der Stromversorgung, um Board-Routing-Komplexität und Stücklistenkosten zu reduzieren
- Integrierter 2×2-Koppelpunkt
- Adaptiver Continuous Time Linear Equalizer (CTLE)
- Adaptiver Decision Feedback Equalizer (DFE)
- Low-Jitter-Sender mit 3-Tap-FIR-Filter
- Kombinierte Entzerrung unterstützt +35 dB Kanalverlust bei 12,9 GHz
- Einstellbare Übertragungs-Amplitude: 205 mVppd bis 1225 mVppd (typisch)
- On-Chip-Augenöffungsmonitor (EOM), PRBS-Muster-Erkennung/Generator
- Unterstützt JTAG/AC-JTAG-Boundary-Scan
- Kleines 6 mm×6 mm BGA-Gehäuse mit einfachem Durchlauf-Routing
Applikationen
- Jitter-Reinigung für optischen Front-Anschluss
- Aktive Kabelsätze
- Reichweitenverlängerung Rückwandplatine/Mittelplatine
- IEEE802.3bj 100 GbE, Infiniband EDR und OIFCEI-25G-LR/MR/SR/VSR Elektrische Schnittstellen
- SFP28, QSFP28, CFP2/CFP4, CDFP
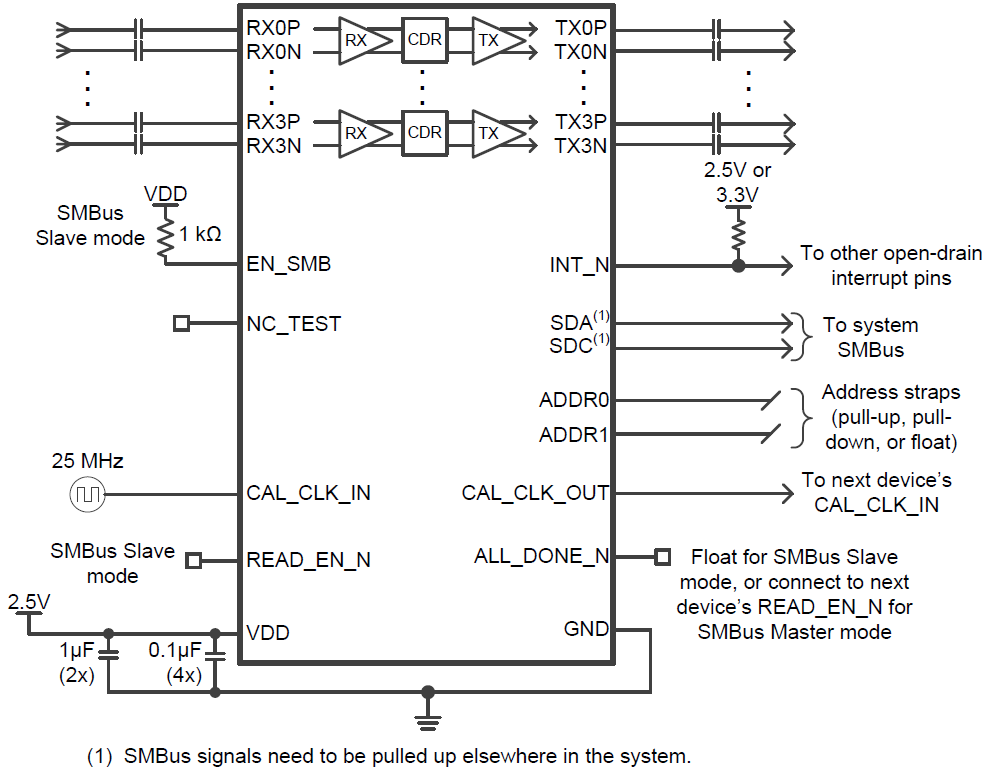
Vereinfachter Schaltplan
Veröffentlichungsdatum: 2016-05-03
| Aktualisiert: 2022-03-11
