Texas Instruments DS90UB662-Q1 FPD-Link III Quad-Deserialisierer-Hub

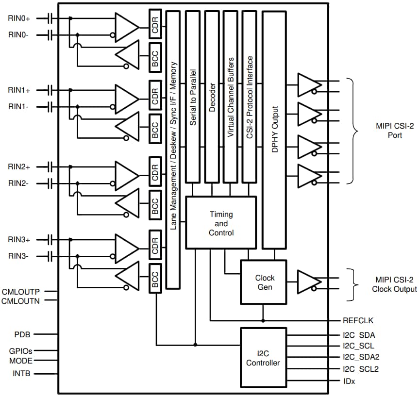
Der Texas Instruments DS90UB662-Q1 FPD-Link III Quad-Deserialisierer-Hub ist ein vielseitiger Sensor-Hub, der Daten eines serialisierten Sensors verbinden kann, die über eine FPD-Link III-Schnittstelle aus vier unabhängigen Videodatenströmen empfangen werden. In Verbindung mit einem DS90UB633A-Q1 oder DS90UB63x CSI-2-Serialisierer empfängt der DS90UB662-Q1 Daten von 1-Megapixel-Bildsensoren, die eine Auflösung von 720 p/800 p/960 p/1 MP bei Bildraten von 30 Hz oder 60 Hz unterstützen. Daten werden in einem mit MIPI CSI2-konformen Ausgang für die Verbindung mit einem nachgeschalteten Prozessor empfangen und gesammelt.

Der DS90UB662-Q1 von Texas Instruments umfasst vier FPD-Link III-Deserialisierer, die jeweils eine Verbindung über kostengünstige 50-Ω-Single-Ended-Koaxialkabel oder 100-Ω-Differential-STP-Kabel ermöglichen. Die Empfangsentzerrer passen sich automatisch an, um Kabelverlusteigenschaften, einschließlich der Verschlechterung im Laufe der Zeit, auszugleichen. Jede der FPD-Link-III-Schnittstellen enthält außerdem einen separaten bidirektionalen Steuerkanal mit niedriger Latenz, der kontinuierlich I2C, GPIOs und andere Steuerinformationen überträgt. Auch allgemeine I/O-Signale, wie sie für die Kamerasynchronisierung und Diagnosefunktionen erforderlich sind, nutzen diesen bidirektionalen Steuerkanal.

Der DS90UB662-Q1 ist für Fahrzeuganwendungen AEC-Q100-qualifiziert und wird in einem kostengünstigen und platzsparenden 64-Pin-VQFN-Gehäuse angeboten.

Merkmale

  • AEC-Q100-qualifiziert für Fahrzeuganwendungen:
    • -40 °C bis +105 °C Umgebungsbetriebstemperaturbereich (Bauteiltemperatur Klasse 2)
    • HBM-ESD-Bauteilklassifikationsstufe von ±3 kV
    • CDM-ESD-Bauteilklassifikation Stufe C5
  • Der Quad-Deserialisierer-Hub sammelt Daten von bis zu 4 Sensoren gleichzeitig
  • Unterstützt 1-Megapixel-Sensoren mit einer Bildrate von bis zu 60 Hz und 2-Megapixel-Sensoren mit einer Bildrate von bis zu 30 Hz
  • Präzise Multi-Kamera-Synchronisierung
  • MIPI DPHY Version 1.2-/CSI-2 Version 1.3-konform
    • Ein CSI-2 MIPI-Ausgangsanschluss
    • Unterstützt 1, 2, 3, 4 Datenleitungen
    • CSI-2-Datenraten-skalierbar für 400 MBit/s/800 MBit/s/1,5 GBit/s/1,6 GBit/s pro Datenspur
  • Ultra-niedrige Daten- und Steuerpfad-Latenz
  • Unterstützt einendige Koaxialkabel, einschließlich Power-over-Coax- (PoC) oder abgeschirmte verdrillte Doppelkabel (STP)
  • Adaptiver Empfangsausgleich
  • Duale I2C-Anschlüsse mit Fast-Mode-Plus bis zu 1 MBit/s
  • Flexible GPIOs für Sensor-Synchronisierung und -Diagnose
  • Kompatibel mit DS90UB633A-Q1 Serialisierer und DS90UB63x CSI-2-Serialisierer
  • Interner programmierbarer Präzisions-Frame-Sync-Generator
  • Leitungsfehlererkennung und erweiterte Diagnosefunktionen
  • Fähig für die funktionale Sicherheit
    • Dokumentation zur Unterstützung des Systemdesigns gemäß ISO 26262 ist verfügbar

Applikationen

  • Automotive-FAS
    • Rückansichtkameras (RVC)
    • Rundumsicht-Systeme (SVS)
    • Kameraüberwachungssysteme (CMS)
    • Vorwärtssichtkameras (FC)
    • Fahrer-Überwachungssysteme (DMS)
    • Satelliten-RADAR-, Time-of-Flight- (ToF) und LIDAR-Sensormodule
    • Sensor-Fusion
  • Sicherheit und Überwachung

Funktionales Blockdiagramm

Blockdiagramm - Texas Instruments DS90UB662-Q1 FPD-Link III Quad-Deserialisierer-Hub

Videos

Veröffentlichungsdatum: 2020-12-16 | Aktualisiert: 2025-02-27