Texas Instruments HDC3120EVM Evaluierungsmodul (EVM)

Das Texas Instruments  HDC3120EVM Evaluierungsmodul (EVM) demonstriert das Betriebsverhalten des analogen Feuchtigkeits- und Temperatursensors HDC3120. Dieses Modul bietet eine Evaluierungs- und Integrationsflexibilität auf Systemebene, die ermöglicht, das Verhalten des Sensors unter verschiedenen Temperatur-, Feuchtigkeits- und Stromversorgungsbedingungen zu prüfen. Das Modul HDC3120EVM verfügt über zwei integrierte Komparatoren der Baureihe TLV9030, die analoge Alarmausgänge bereitstellen, wenn der Temperatur- oder Feuchtigkeitsanalogausgang des HDC3120 einen benutzerdefinierten Schwellenwert überschreitet. Zu den typischen Applikationen zählen elektronische Servolenkungen (EPS), Batteriemanagementsysteme (BMS), HLK, Umrichter, Rechenzentren, Telekommunikationsstromversorgungssysteme, Haushaltsgeräte und Energieinfrastrukturen.

Merkmale

  • Einfache Applikation zum Evaluieren der Temperatur- und Feuchtigkeitsfunktionalität des HDC3120
  • Die enthaltenen TLV9030 Komparatoren ermöglichen eine schalterähnliche Funktion zur weiteren Evaluierung des Sensors im Endgeräte-Designprozess.
  • Eine große Auswahl an Anschluss- und Testpunkten für den Komfort des Benutzers

Applikationen

  • Große Haushaltsgeräte
    • Geschirrspülmaschinen
    • Waschmaschinen und Trockner
    • Kühlschränke und Gefriergeräte
  • Energieinfrastruktur:
    • Batterie-Energiespeichersysteme
    • Fernautomatisierung von Stromverteilungen
    • Rechenzentren
    • Stromversorgung für Telekommunikationssysteme
  • Fahrzeuge:
    • Elektronische Servolenkung (EPS)
    • Batteriemanagementsystem (BMS)
    • HLK
    • Umrichter

Platinenübersicht

Texas Instruments HDC3120EVM Evaluierungsmodul (EVM)

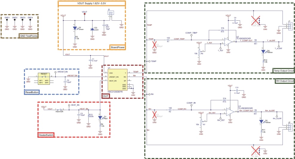
Schaltschema

Schaltplan - Texas Instruments HDC3120EVM Evaluierungsmodul (EVM)
Veröffentlichungsdatum: 2025-06-30 | Aktualisiert: 2025-07-17