Texas Instruments INA351 Instrumentenverstärker
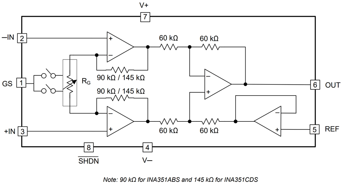
Der INA351 Instrumentenverstärker von Texas Instruments ist ein Instrumentenverstärker mit wählbarer Verstärkung und einem integrierten Referenzpuffer. Es bietet vier Verstärkungsoptionen für die Varianten INA351ABS und INA351CDS in kleinen Gehäusen. Der INA351CDS verfügt über eine Verstärkungsoption von 30 oder 50, der INA351ABS über eine Verstärkungsoption von 10 oder 20. Diese Verstärkungsoptionen können durch Umschalten des GS-Pins (Gain Select) ausgewählt werden. Der INA351 eignet sich hervorragend für Brückensensoren und Anwendungen zur Umwandlung von differentiellen in unsymmetrische Signale.Der INA351 ist mit präzisionsangepassten integrierten Widerständen ausgestattet und spart dadurch Stücklistenkosten, Platz auf der Leiterplatte und Kosten für die Bestückungsautomaten, da keine präzisen oder eng angepassten externen Widerstände benötigt werden. Der INA351 kann direkt an 10- bis 14-Bit-Analog-Digital-Wandler (ADC) mit niedriger Geschwindigkeit angeschlossen werden und eignet sich hervorragend als Ersatz für die diskrete Implementierung von Instrumentenverstärkern, die mit handelsüblichen Verstärkern und diskreten Widerständen aufgebaut sind.
Der INA351 ist mit der Drei-Verstärker-Architektur ausgelegt und für die Bereitstellung von Leistung optimiert. Das Bauteil erreicht einen minimalen CMRR von 86 dB und einen genauen maximalen Gain-Fehler von 0,1% zusammen mit einem maximalen Offset von 1,3 mV über alle Gain-Optionen, während es einen maximalen Ruhestrom von nur 135 µA verbraucht. Der INA351 von Texasinstruments verfügt über eine integrierte Abschaltoption zum Ausschalten des Verstärkers im Leerlauf für zusätzliche Stromeinsparungen in batteriebetriebenen Applikationen.
Merkmale
- Für Größe, Kosten und stromsparende Applikationen ausgelegt
- Wählbare gain-Optionen mit integriertem Referenzbuffer
- G = 10 oder G = 20 (INA351ABS)
- G = 30 oder G = 50 (INA351CDS)
- Platzsparende extrem kleine Gehäuseoptionen
- 10-Pin X2QFN (RUG) – 3 mm2
- 8-Pin-WSON (DSG) – 4 mm2
- 8-pin SOT23-THN (DDF) – 4,64 mm2
- Optimierte Leistung für 10-Bit- bis 14-Bit-Systeme
- CMRR: 95 dB (typisch) über alle gains
- Offset Spannung: 0,2 mV (typisch) über alle gains
- Gain-Fehler (typisch)
- 0,015% für G = 10, G = 50
- 0,020 % für G = 20, G = 30
- 100 kHz für G = 10 (typ.) Bandbreite
- Steuert 500 pF mit weniger als 20 % Überschwingen (typ.)
- Optimierter Ruhe Strom: 110 µA (typisch)
- Abschaltoption für stromsparende Applikationen
- 1,8 V (±0,9 V) bis 5,5 V (±2,75 V) Versorgungsbereich
- Spezifizierter Temperaturbereich: -40 °C bis +125 °C
Applikationen
- Erkennung von Brückennetzwerken
- Differenzielle zu einendige Umwandlung
- Waagschale
- Analoges Eingangsmodul
- Durchflussgeber
- Wearable Fitness- und Aktivitätsmonitore
- Blutzuckermessgeräte
- Druck- und Temperatursensorik
Funktionales Blockdiagramm
