Texas Instruments INA851 Vollständig differenzielle Messverstärker

Die vollständig differenziellen Messverstärker INA851 von Texas Instruments sind Messverstärker mit hoher Genauigkeit und vollständig differenziellen Ausgängen. Die INA851 wurden optimiert, um Eingänge von modernen, leistungsstarken Analog-Digital-Wandlern (ADCs) mit vollständig differenziellen Eingängen anzusteuern. Die Verstärker bieten einen umfangreichen Einzel- oder Dual-Versorgungsbereich. Die Gain der Endstufe des Bauteils kann durch Kurzschluss oder zwei potenzialfreie Pins entweder auf 0,2 oder 1 eingestellt werden. Ein einzelner externer Widerstand legt die Gains der Eingangsstufe von 1 bis 10.000 fest.

Die vollständig differenziellen Messverstärker INA851 von TI bieten einen sehr niedrigen Eingangs-Bias-Strom und ein niedriges eingangsbezogenes Stromrauschen aufgrund von Super-Beta-Eingangstransistoren. Die Bauelemente verfügen über einen hochmodernen Herstellungsprozess, der ein außergewöhnlich niedriges Spannungsrauschen, eine Eingangs-Offset-Spannung und eine Offset-Spannungs-Drift bietet. Eine zusätzliche Schaltung schützt die INA851-Eingänge gegen Überspannung von bis zu ±40 V über die Stromversorgungsspannungen hinaus. Darüber hinaus verfügen die Ausgänge der Bauelemente über eine integrierte Klemmschaltung zum Schutz des ADC oder nachgeschalteten Bauteils gegen Übersteuerungsschäden.

Die INA851 eignen sich hervorragend für den Betrieb einer mindestens 8-V-Einzel- oder ±4-V-Dual-Versorgung und einer maximalen 36-V-Einzel- oder ±18-V-Dual-Versorgung.

Merkmale

  • Gain-programmierbar von G = 0,2 bis 10.000 mit einem externen Widerstand
  • Vollständig differenzielle Ausgänge mit integrierter Klemmung
  • Niedrige Offsetspannung: 10 µV (typ.), 35 µV (max.)
  • Niedrige Offset-Drift: 0,1 µV/°C (typ.), 0,3 µV/°C (max.)
  • Niedriger Eingangs-Bias-Strom: 5 nA (typ.)
  • Eingangsstufen-Rauschen: 3,2 nV/√Hz, 0,8 pA/√Hz
  • Große Bandbreite: 22 MHz bei G = 0,2, 15 MHz bei G = 1
  • Gleichtaktunterdrückung: 106 dB (min.) bei G = 10, 120 dB (min.) bei 100 ≤ G ≤ 1.000
  • Stromversorgungsunterdrückung: 100 dB (min.) bei G = 1
  • Versorgungsstrom: 6 mA (typ.)
  • Eingangsüberspannungsschutz bis ±40 V über Versorgungen hinaus
  • Versorgungsbereich:
    • Einzelversorgung: 8 V bis 36 V
    • Dual-Versorgung: ±4 V bis ±18 V
  • Spezifizierter Temperaturbereich: -40 °C bis +125 °C
  • Kleines 16-Pin-VQFN-Gehäuse

Applikationen

  • Analoges Eingangsmodul
  • Durchflussgeber
  • LCD-Prüfung
  • Elektrokardiogramm (EKG)
  • Chirurgische Ausrüstung
  • Oszilloskop (DSO)
  • Waagschale
  • Halbleiter-Prüfung

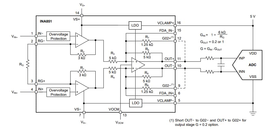
ADC-Treiber-Applikation

Applikations-Schaltungsdiagramm - Texas Instruments INA851 Vollständig differenzielle Messverstärker

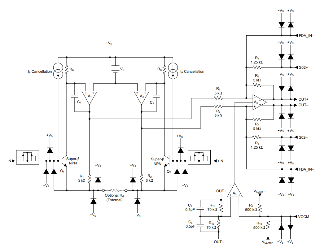
Detaillierter Schaltplan

Schaltplan - Texas Instruments INA851 Vollständig differenzielle Messverstärker

Blockdiagramm

Blockdiagramm - Texas Instruments INA851 Vollständig differenzielle Messverstärker
Veröffentlichungsdatum: 2022-12-20 | Aktualisiert: 2022-12-23