Texas Instruments ISO7041DBQEVM Isolator-Evaluierungsmodul (EVM)
Das Texas Instruments ISO7041DBQEVM Isolator-Evaluierungsmodul (EVM) wird zur Evaluierung des ISO7041 stromsparenden Quad-Kanal-Digital-Isolators in einem 16-Pin-SSOP-Gehäuse verwendet. Das Evaluierungsmodul bietet ausreichend Testpunkte, eine Steckbrückenoption und Strommessfunktionen zur Evaluierung des Bauteils mit einer minimalen Anzahl externer Komponenten. Das Evaluierungsmodul kann zur Evaluierung aller Quad-Kanal-Digital-Isolatoren in einem 16-Pin-SSOP-Gehäuse (DBQ) von TI umkonfiguriert werden.Merkmale
- Extrem geringer Stromverbrauch
- 4 kV Stoßstrom-Isolierung
- 2 Mbps
Lieferumfang Kit
- ISO7041DBQEVM Evaluierungsmodul
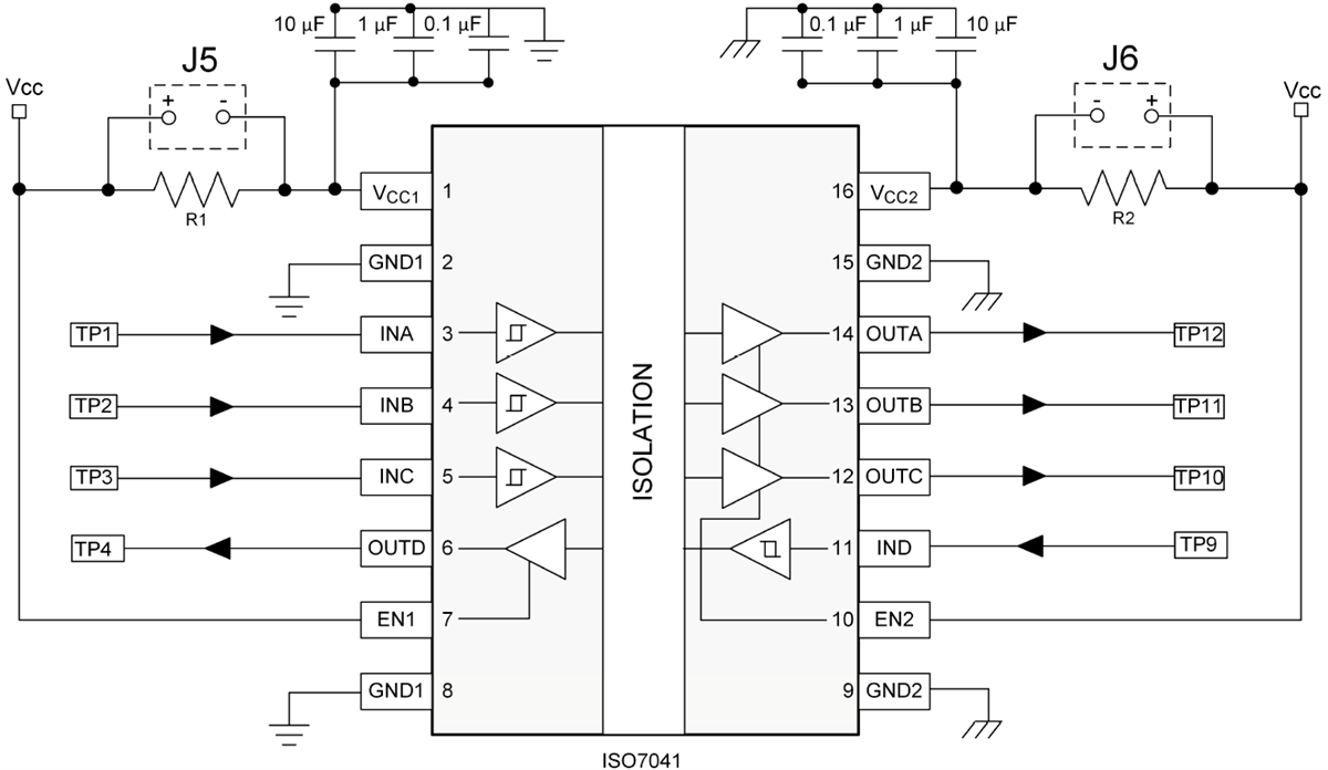
Blockdiagramm
Veröffentlichungsdatum: 2019-03-05
| Aktualisiert: 2025-03-13
