Texas Instruments LM5066Hx Erweiterte Hot-Swap Regler
Der LM5066Hx Erweiterte Hot-Swap-Regler von Texas Instruments bietet robusten Schutz und präzise Überwachung für 12-V-, 24-V- und 48-V-Systeme mit programmierbarem UV-, OV-, ILIM- und schnellem Kurzschlussschutz für kundenspezifische Eingangsleistungs-Applikationen. Der programmierbare Leistungsschwellenwert begrenzt zusammen mit dem einstellbaren Fehlertimer (tFAULT) den maximalen Leistungsverlust und gewährleistet den FET-SOA-Schutz unter allen Bedingungen einschließlich Start- und Fehlerereignissen. Die zweistufige Überstromunterdrückung mit digitalen Timern ermöglicht das Durchlassen höherer Lasttransienten, wodurch niedrigere Strombegrenzungen möglich werden und die Anforderungen an robuste SOA-MOSFETs reduziert werden.Eine integrierte PmBus® Schnittstelle ermöglicht die Fernüberwachung, -steuerung und -konfiguration des Systems in Echtzeit. Wichtige Parameter können aus der Ferne für Telemetrie abgerufen werden und verschiedene Schwellenwerte können über PmBus konfiguriert oder im internen EEPROM gespeichert werden. Der schnelle und präzise analoge Laststrommonitor unterstützt vorausschauende Wartung und dynamisches Leistungsmanagement einschließlich Intel PSYS- und PROCHOT-Funktionsumfang zur Optimierung des Betriebsverhaltens und der Leistung von Servern. Eine Blackbox-Funktion zur Aufzeichnung von Fehlern hilft bei der Fehlerbehebung bei Ausfällen im Feld.
Der LM5066H2 von Texas Instruments verfügt über eine Dual-Gate-Drive-Architektur, die den Einsatz eines einzigen leistungsstarken SOA-FETs zur Bewältigung von Leistungsbelastungen während des Startups und bei Fehlern ermöglicht, kombiniert mit mehreren kleinen FETs mit niedrigem RDS(ON) für den normalen Laststrombetrieb, wodurch die Gesamtgröße der Lösung reduziert wird. Die Bauteile sind für den Betrieb über einen Sperrschichttemperaturbereich von –40 °C bis +125 °C ausgelegt.
Merkmale
- EingangsBetriebsspannungsbereich 5,5 V bis 90 V
- 100 V Absolute maximale Eingangsspannung
- Hält negativen Spannungen bis zu -5 V am Ausgang stand.
- Einstellbare ILIM-Schwellenwerte von 10 mV bis 50 mV
- Programmierbarer FET- SOA-Schutz
- Programmierbare Überstromabschaltung mit digitalem Timer
- Starker GATE-Pull-Down (1,5 A) für schnelles Abschalten
- Robuste Kurzschluss-Sicherung
- Schnelle Trip-Reaktion (270 ns)
- Unempfindlich gegenüber Netzspannungstransienten
- LM5066H2 mit zusätzlichen Funktionen
- Duales GATE-Laufwerk für Hochleistungsapplikationen.
- SYNC-Pin für parallelen Regler-Betrieb
- Sanftanlauf Kondensator trennen
- Erkennung des FET fehlgeschlagen
- Programmierbare UV-, OV- und tFAULT-Schwellenwerte
- Externe FET-Temperaturerfassung
- Erkennung des FET fehlgeschlagen
- PMBus Schnittstelle für Telemetrie, Steuerung, Konfiguration und Fehlerbehebung
- Nichtflüchtiger On-Chip-EEPROM-Speicher für die Konfiguration
- Präzise VIN, V-OUT, I-IN, PIN, V AUX-Überwachung V (<±1 %);="" i="">±1><±1 %);="" p="">±1><±1,75>±1,75>
- Leistungszyklus mit einem einzigen Befehl
- Blackbox-Aufzeichnung mehrerer Ereignisse mit einem relativen Zeitstempel, der im internen EEPROM gespeichert wird
- 12-Bit-ADC mit Abtastrate von 250 kHz
- Unterstützt die Energieüberwachung über den Befehl Read_EIN
- Externe FET-Temperaturerfassung
Applikationen
- Server und Hochleistungscomputer
- Netzwerk-Schnittstellenkarten
- Grafik- und Hardware-Beschleunigerkarten
- Rechenzentrums-Schalter und -Router
- Hot-Plug und Hot-Swap am Eingang
- PLC-Energiemanagement
- 24 V bis 48 V Industriesysteme
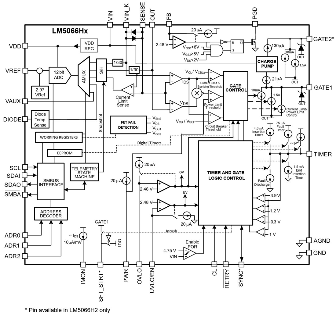
Funktionales Blockdiagramm
