Texas Instruments LM5146-Q1 Synchroner 100-V-Abwärtscontroller

Der Texas Instruments LM5146-Q1 synchrone 100-V-Abwärtscontroller ist für die Regelung von einer hohen Eingangsspannungsquelle oder von einer Eingangsschiene mit Hochspannungstransienten ausgelegt. Durch dieses Design wird auch die Anzahl externer Stoßstrom-Unterdrückungskomponenten verringert. Die minimale Einschaltzeit von 40 ns des High-Side-Schalters ermöglicht hohe Abwärtsverhältnisse, so dass die direkte Abwärtswandlung von einem 48 V-Nenneingang zu Niederspannungsschienen für reduzierte Systemkomplexität und Kosten möglich ist. Der LM5146-Q1 arbeitet weiterhin bei Eingangsspannungseinbrüchen bis zu 5,5 V, bei Bedarf mit nahezu 100 % Einschaltdauer. Dadurch ist dieses Bauteil eine ausgezeichnete Wahl für leistungsstarke 48-V-Batterie-Fahrzeuganwendungen, FAS- (Rundumsicht-ECU) und HEV-/EV-Systeme.

Merkmale

  • Nach AEC-Q100 für Fahrzeuganwendungen qualifiziert
    • Bauteiltemperatur Klasse 1: -40 °C bis +125 °C Umgebungsbetriebstemperaturbereich
  • Vielseitiger synchroner DC/DC-Abwärtscontroller
    • Großer Eingangsspannungsbereich von 5,5 V bis 100 V
    • Einstellbare Ausgangsspannung von 0,8 V bis 60 V
    • Spannungsbetriebssteuerung mit Leitungs-Mitkopplung
  • Erfüllt CISPR 25 EMI-Standard
  • Verlustfreie RDS(on) oder Shunt-Strommessung
  • Schaltfrequenz von 100 kHz bis 1 MHz
    • SYNC-In- und SYNC-Out-Fähigkeit
  • 40 ns Mindestzeit für hohes VIN-/VOUT-Verhältnis
  • 140 ns Ausschaltzeit für niedrigen Dropout
  • 0,8 V Referenz mit ±1 % Rückkopplungsgenauigkeit
  • 7,5-V-Gate-Treiber für standardmäßige VTH-MOSFETs
    • 14 ns adaptive Totzeit-Regelung
    • 2,3 A Quell- und 3,5 A Sinkkapazität
    • Low-Side-Soft-Start für vorgespanntes Start-up
  • Einstellbarer Soft-Start oder optionale Spannungsverfolgung
  • Präzisionsfreigabeeingang und Open-Drain-Power-Good-Anzeige für Sequenzierung und Steuerung
  • Inhärente Schutzfunktionen für robustes Design
    • Hiccup-Modus-Überstromschutz
    • Eingang-UVLO mit Hysterese
    • VCC- und Gate-Drive-UVLO-Schutz
    • Übertemperaturschutz mit Hysterese
  • 20-Pin-VQFN-Gehäuse mit benetzbaren Flanken

Applikationen

  • Leistungsstarker Automotive-DC/DC-Regler
  • Automotive-Motorantriebe, FAS
  • HEV/EV-Leistung konform mit LV-148

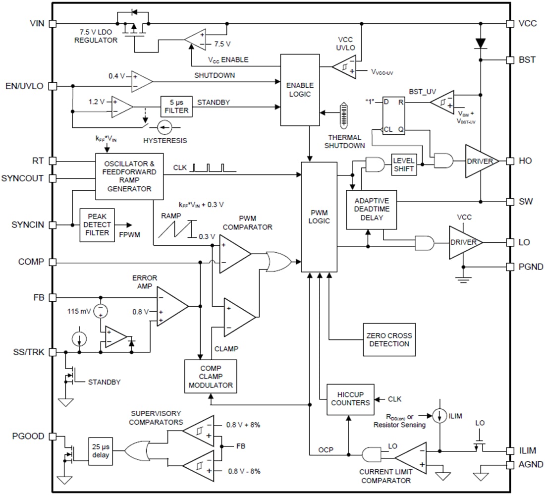
Funktionales Blockdiagramm

Blockdiagramm - Texas Instruments LM5146-Q1 Synchroner 100-V-Abwärtscontroller
Veröffentlichungsdatum: 2019-03-06 | Aktualisiert: 2023-07-27