Texas Instruments LMG2100R026 GaN-Halbbrücken-Leistungsstufe
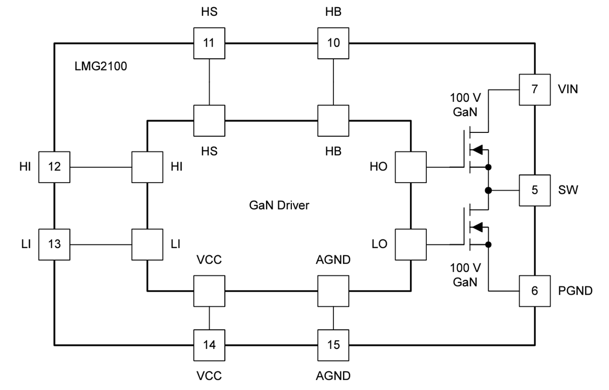
Die LMG2100R026 GaN-Halbbrücken-Leistungsstufe von Texas Instruments enthält einen Gate-Treiber und Anreicherungsmodus-Galliumnitrid (GaN)-FETs. Die 53 A Halbbrücken-Leistungsstufe mit 93 V kontinuierlicher und 100 V Impulsspannung enthält zwei GaN-FETs, die von einem Hochfrequenz-GaN-FET-Treiber in einer Halbbrücken-Konfiguration angesteuert werden. Der Treiber und die beiden GaN-FETs sind auf einer vollständig bonddrahtfreien Gehäuseplattform mit minimierten parasitären Gehäusekomponenten montiert.Die Power-Stage LMG2100R026 von TI ist in einem bleifreien, 7,0 mm x 4,5 mm x 0,89 mm großem Gehäuse untergebracht, das auf einfache Weise auf Leiterplatten montiert werden kann. Die TTL-Logik-kompatiblen Eingänge können Logikschaltungs-Pegel von 3,3 V und 5 V unabhängig von der VCC-Spannung unterstützen. Die proprietäre Bootstrap-Spannungsklemmtechnik stellt sicher, dass die GATE -Spannungen der GaN-FETs im enhancement-Modus innerhalb eines sicheren Betriebsbereichs liegen. Das Gerät erweitert die Vorteile diskreter GaN-FETs, indem es eine benutzerfreundlichere Schnittstelle ermöglicht. Das Gerät stellt eine hervorragende Lösung für Applikationen dar, bei denen ein hochfrequenter, hocheffizienter Betrieb in einer kleinen Baugröße erforderlich ist.
Merkmale
- Integrierte Halbbrücken-GaN-FETs und Treiber
- Dauerbetrieb mit 93 V, gepulste Nennspannung von 100 V
- Für ein einfaches PCB-Layout optimiertes Gehäuse
- Schaltvorgang mit hoher Anstiegsrate und geringem Überschwingen
- Externe Bias-Power-Versorgung: 5 V
- Unterstützt Logikschaltungspegel von 3,3 V und 5 V
- Gate-Treiber mit Schaltfähigkeit von bis zu 10 MHz
- Geringer Leistungsverbrauch
- Ausgezeichnete Laufzeitverzögerungen (typischerweise 33 ns) und Übereinstimmung (typischerweise 2 ns)
- Interne Klemmung für Bootstrap-Versorgungsspannung zur Vermeidung der GaN-FET-Übersteuerung
- Unterspannungserkennung der Versorgungsschiene zum Schutz vor fehlerhaftem Betrieb bei zu niedriger Versorgungsspannung
- Freiliegendes QFN-Gehäuse für oberseitige Kühlung
- Große GND-Kontaktfläche für unterseitige Kühlung
Applikationen
- Abwärts-, Aufwärts-, Auf-/Abwärtswandler
- LLC-Wandler
- Umrichter
- Stromversorgung für Telekommunikation und Server
- Motorantriebe
- Elektrowerkzeuge
- Audioverstärker der Klasse D
Vereinfachtes Blockdiagramm
Ausbreitungsverzögerung & Diskrepanz
