Texas Instruments LMG2652 650 V 140 mΩ GaN-Leistungs-FET-Halbbrücke
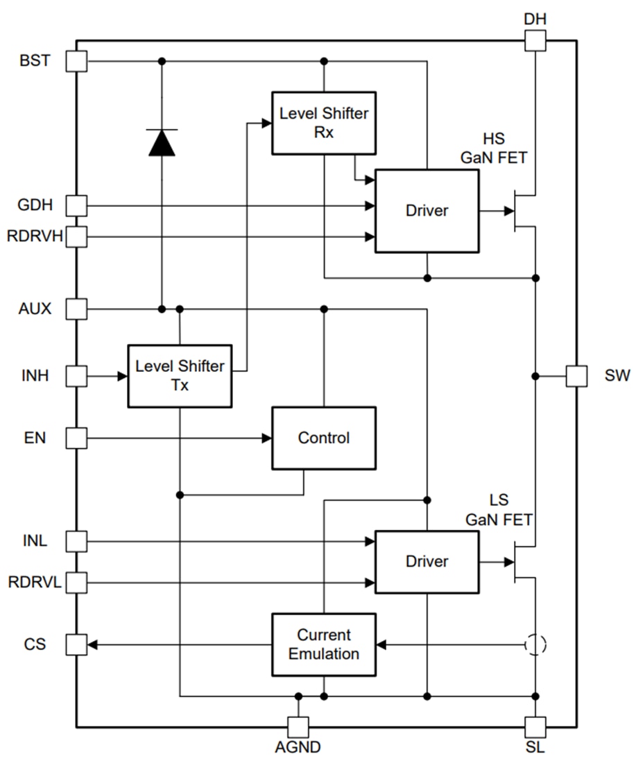
Die LMG2652 650 V 140 mΩ GaN-Leistungs-FET-Halbbrücke von Texas Instruments vereinfacht das Design, reduziert die Anzahl der Komponenten und reduziert den Platzbedarf auf dem Board. Diese Vereinfachung wird durch die Integration von Halbbrücken-Leistungs-FETs, Gate-Treibern, Bootstrap-Diode und High-Side-Gate-Treiber-Pegelwandlern in einem 6 mm x 8 mm QFN-Gehäuse erreicht. Die Low-Side-Strommessemulation reduziert die Verlustleistung im Vergleich zum herkömmlichen Strommesswiderstand. Dies ermöglicht den Anschluss des Low-Side-Wärme-Pads an die Kühl-PCB-Betriebserdung.Der High-Side-GaN-Leistungs-FET kann entweder mit dem Low-Side-referenzierten Gate-Treiber-Pin (INH) oder dem High-Side-referenzierten Gate-Treiber-Pin (GDH) gesteuert werden. Der High-Side-Gate-Treiber-Signalpegelwandler überträgt das INH-Pin-Signal zuverlässig an den High-Side-Gate-Treiber in anspruchsvollen Leistungsschaltumgebungen. Der intelligent geschaltete GaN-Bootstrap-FET verfügt über keinen Dioden-Durchlass-Spannungsabfall, verhindert eine Überladung der High-Side-Versorgung und hat keine Sperrverzögerungsladung.
Der LMG2652 von Texas Instruments unterstützt den Wirkungsgrad des Wandlers bei geringer Last und den Burst-Modus-Betrieb mit niedrigen Ruheströmen und schnellen Anlaufzeiten. Zu den Schutzfunktionen gehören FET-Einschaltverriegelung, Unterspannungssperre (UVLO), Zyklus-für-Zyklus-Strombegrenzung und Übertemperaturabschaltung.
Merkmale
- 650 V GaN-Leistungs-FET-Halbbrücke
- 140 mΩ Low-Side- und High-Side-GaN-FETs
- Integrierte Gate-Treiber mit niedrigen Laufzeitverzögerungen von <100 ns
- Strommessemulation mit hoher Bandbreite und hoher Genauigkeit
- Low-Side-referenzierte (INH) und High-Side-referenzierte (GDH) High-Side-Gate-Treiber-Pins
- Low-Side-(INL)/High-Side-(INH)-Gate-Treiber-Verriegelung
- High-Side(INH)-Gate-Treiber-Signalpegelwandler
- Smart-geschaltete Bootstrap-Diodenfunktion
- High-Side-Anlaufen von < 8 ° s
- Low-Side-/High-Side-Zyklus-für-Zyklus-Überstromschutz
- Übertemperaturschutz
- AUX-Leerlauf-Ruhestrom von 250 µA
- AUX-Standby-Ruhestrom von 50 µA
- BST-Leerlauf-Ruhestrom von 70 µA
- 8 mm × 6 mm-QFN-Gehäuse mit Dual-Wärme-Pads
Applikationen
- AC/DC-Adapter und -Ladegeräte
- AC/DC-USB-Netzteile für Steckdose
- AC/DC-Hilfsnetzteile
- Design für mobiles Wandladegerät
- USB-Wandsteckdose
Weitere Ressourcen
Vereinfachtes Blockdiagramm
