Texas Instruments LMG342xR030 GaN-Feldeffekt-Transistoren (FETs)
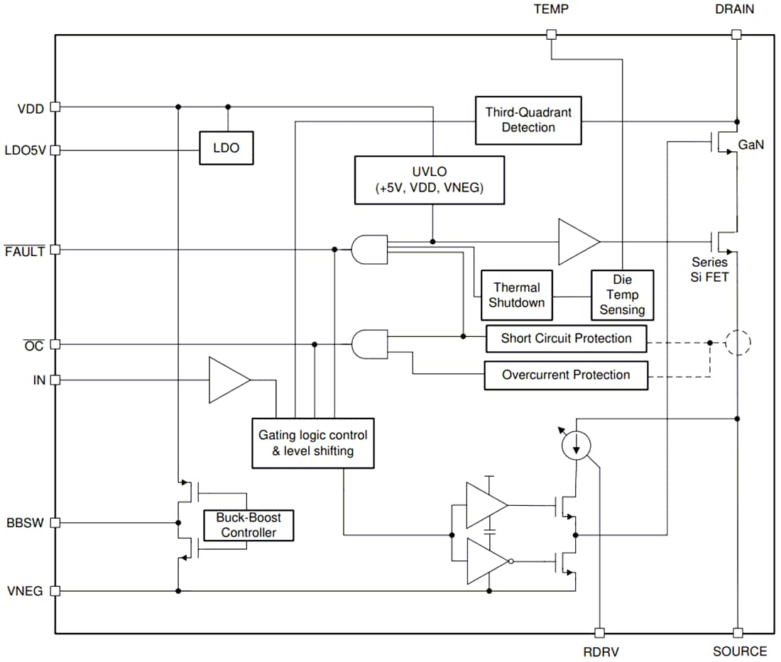
Die GaN-Feldeffekt-Transistoren (FETs) LMG342xR030 von Texas Instruments verfügen über integrierte Treiber- und Schutzfunktionen, die es Designern ermöglicht, ein neues Leistungsdichten- und Wirkungsgradniveau in Leistungselektroniksystemen zu erreichen.Das Bauteil LMG342xR030 von Texas Instruments integriert einen Silizium-Treiber, dank dem Schaltgeschwindigkeiten von bis zu 150 V/ns ermöglicht werden. Die integrierte, präzise Gate-Vorspannung von TI führt zu einem höheren sicheren Betriebsbereich (SOA) beim Schalten im Vergleich zu diskreten Silizium-Gate-Treibern. Diese Integration, kombiniert mit TIs niederinduktivem Gehäuse, sorgt für sauberes Schalten und minimales Überschwingen (Ringing) in hart schaltenden Stromversorgungstopologien. Die einstellbare Gate-Treiberstärke ermöglicht die Steuerung der Anstiegsrate von 20 V/ns bis 150 V/ns, wodurch EMI aktiv gesteuert werden kann und das Betriebsverhalten des Schaltens optimiert wird. Das Bauteil LMG3425R030 verfügt über einen Ideal-Dioden-Modus, der Verluste im dritten Quadranten reduziert, indem er eine adaptive Totzeitsteuerung ermöglicht.
Zu den erweiterten Leistungsmanagement gehören digitale Temperaturmeldung und Defekt-Erkennung. Die Temperatur des GaN-FET wird über einen PWM-Ausgang mit variablem Arbeitszyklus gemeldet, was die Überwachung der Bauteilauslastung vereinfacht. Zu den gemeldeten Fehlern gehören Übertemperatur-, Überstrom- und UVLO-Überwachung.
Merkmale
- Zugelassen gemäß JEDEC JEP180 für Hard-Switching-Topologien
- 600-V-GaN-on-Si-FET mit integriertem Gate-Treiber
- Eine integrierte, hochpräzise Gate-Vorspannung
- 200 V/ns CMTI
- Schaltfrequenz von 2,2 MHz
- Anstiegsrate von 30 V/ns bis 150 V/ns zur Optimierung des Betriebsverhalten und zur EMI-Reduktion
- Betriebsspannung von 7,5 V bis 18 V
- Erweitertes Leistungsmanagement
- Digitaler Temperatur-PWM-Ausgang
- Der Ideal-Dioden-Modus reduziert die Verluste im dritten Quadranten in LMG3425R030
- Robuster Schutz
- Zyklusweiser Überstrom- und arretierter Kurzschlussschutz mit einer Reaktionszeit von <>
- Beständig gegen Stromstöße von 720 V bei Hard-Switching-Schaltvorgängen
- Selbstschutz durch interne Übertemperatur- und UVLO-Erkennung
Applikationen
- Industrielle Stromversorgung mit hoher Dichte
- Umrichter und industrielle Motorantriebe
- Unterbrechungsfreie Stromversorgung
- Händlernetzwerk und Server-Stromversorgungseinheit (PSU)
- Handelsübliche Telekommunikationsgleichrichter
Funktionales Blockdiagramm
