Texas Instruments LMR23615/LMR23615-Q1 Abwärtswandler
Der Texas Instruments LMR23615/LMR23615-Q1 SIMPLE SWITCHER®-Abwärtswandler ist ein benutzerfreundlicher synchroner Abwärtsregler mit 36 V und 1,5 A. Mit einem Weitbereichseingang von 4,5 V bis 36 V ist er für zahlreiche industrielle Applikationen bis hin zu Automobil-Applikationen für die Leistungsregelung von ungeregelten Quellen geeignet. Eine Spitzenstromregelung wird eingesetzt, um eine einfache Schleifenkompensation und Zyklus-für-Zyklus-Strombegrenzung zu erreichen. Mit einem Ruhestrom von 75 µA eignet sich dieses Bauteil hervorragend für batteriebetriebene Systeme. Ein sehr niedriger Abschaltstrom von 2 µA kann die Laufzeit der Batterie noch weiter verlängern. Die interne Schleifenkompensation bedeutet, dass der Nutzer keine mühsame Kalkulation des Schleifenkompensation-Designs mehr vornehmen muss. Dadurch wird auch die Anzahl externer Komponenten verringert. Die LMR23630-Q1 Bauteile sind gemäß AEC-Q100 für Automobil-Applikationen zugelassen.Merkmale
- 4 V bis 36 V Eingangsbereich
- 1,5 A Dauerausgangsstrom
- Integrierte Synchrongleichrichterschaltung
- Strommodussteuerung mit interner Kompensation
- Mindesteinschaltzeit: 60 ns
- Anpassbare Schaltfrequenz
- PFM-Modus bei leichter Last
- Frequenzsynchronisierung mit externem Takt
- 75 µA Ruhestrom
- Soft-Start in eine vorgespannte Last
- Unterstützung von Betrieb mit hohem Tastverhältnis
- Ausgangskurzschlussschutz mit Hiccup-Modus
- Wärmeschutz
- 12-Pin-WSON-Gehäuse mit benetzbaren Flanken und PowerPAD™
Applikationen
- Werks- und Gebäudeautomatisierungssysteme: PLC CPU, HLK-Steuerung, Aufzugssteuerung
- GSM-, GPRS-Module für Flotten-Management, intelligente Stromnetze und Sicherheit
- Breite Allzweck-VIN-Regulierung
Datenblätter
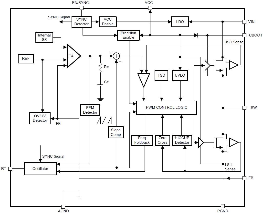
Funktionales Blockdiagramm
Veröffentlichungsdatum: 2018-04-06
| Aktualisiert: 2022-11-22
