Texas Instruments LMR516x5 Synchrone Abwärtswandler
Die LMR516x5 synchronen Abwärtswandler von Texas Instruments können einen Laststrom von bis zu 2,5 A oder 3,5 A ansteuern. Mit einem Eingangsbereich von 4,3 V bis 60 V sind die Geräte für verschiedene Industrieapplikationen ausgelegt, die eine Leistungsregelung von einer ungeregelten Quelle erfordern. Der LMR516x5 von Texas Instruments wird bei einer Schaltfrequenz von 400 kHz oder 1,1 MHz betrieben, um relativ kleine Induktivitäten für eine optimierte Designgröße zu unterstützen. Das Bauelement verfügt über eine Impulsfrequenzmodulation (PFM-Version), um einen hohen Wirkungsgrad bei geringer Last und eine erzwungene Pulsbreitenmodulation (PFM-Version) zu ermöglichen, um eine kleine Ausgangsspannungswelligkeit und eine konstante Frequenz über den gesamten Lastbereich zu erreichen. Kompensations- und Soft-Start-Schaltungen sind intern implementiert, wodurch das Bauteil mit einer minimalen Anzahl externer Komponenten eingesetzt werden kann.Das Bauteil verfügt über integrierte Schutzfunktionen wie z. B. Strombegrenzung, Zyklus-für-Zyklus, thermische Abschaltung und Hiccup-Modus-Kurzschluss-Sicherung bei übermäßiger Verlustleistung.
Merkmale
- Für robuste Industrieapplikationen konfiguriert
- 4,3 V bis 60 V Eingangsspannungsbereich
- 2,5 A oder 3,5 A Dauerausgangsstrom
- Niedriger Betriebsruhestrom von 29 µA
- 70 ns Mindest-Schaltung On-Zeit
- 400 kHz und 1,1 MHz Schaltfrequenz
- Frequenzspreizung (PFM-Ausführung)
- -40°C bis +150 °C Sperrschichttemperaturbereich
- 96 % maximales Tastverhältnis
- Monotones Einschalten mit vorgespanntem Ausgang
- Kurzschlussschutz mit Hiccup-Modus
- Präzisionsfreigabe
- ±1 % Toleranz Spannungsreferenz
- Geeignet für die funktionale Sicherheit mit Dokumentation zur Unterstützung des Designs von funktionalen Sicherheitssystemen
- Kleine Designgröße und Benutzerfreundlichkeit
- Integrierte Synchrongleichrichtung
- Interne Kompensation für eine einfache Verwendung
- SOT-23-Gehäuse
- Verschiedene Optionen in Pin-zu-Pin-kompatiblen Gehäusen mit PFM und erzwungenen PWM-Optionen (FPWM)
Applikationen
- große haushaltsgeräte
- SPS, DCS und PAC
- Intelligente Stromzähler
- Universal-Netzteile mit großem VIN
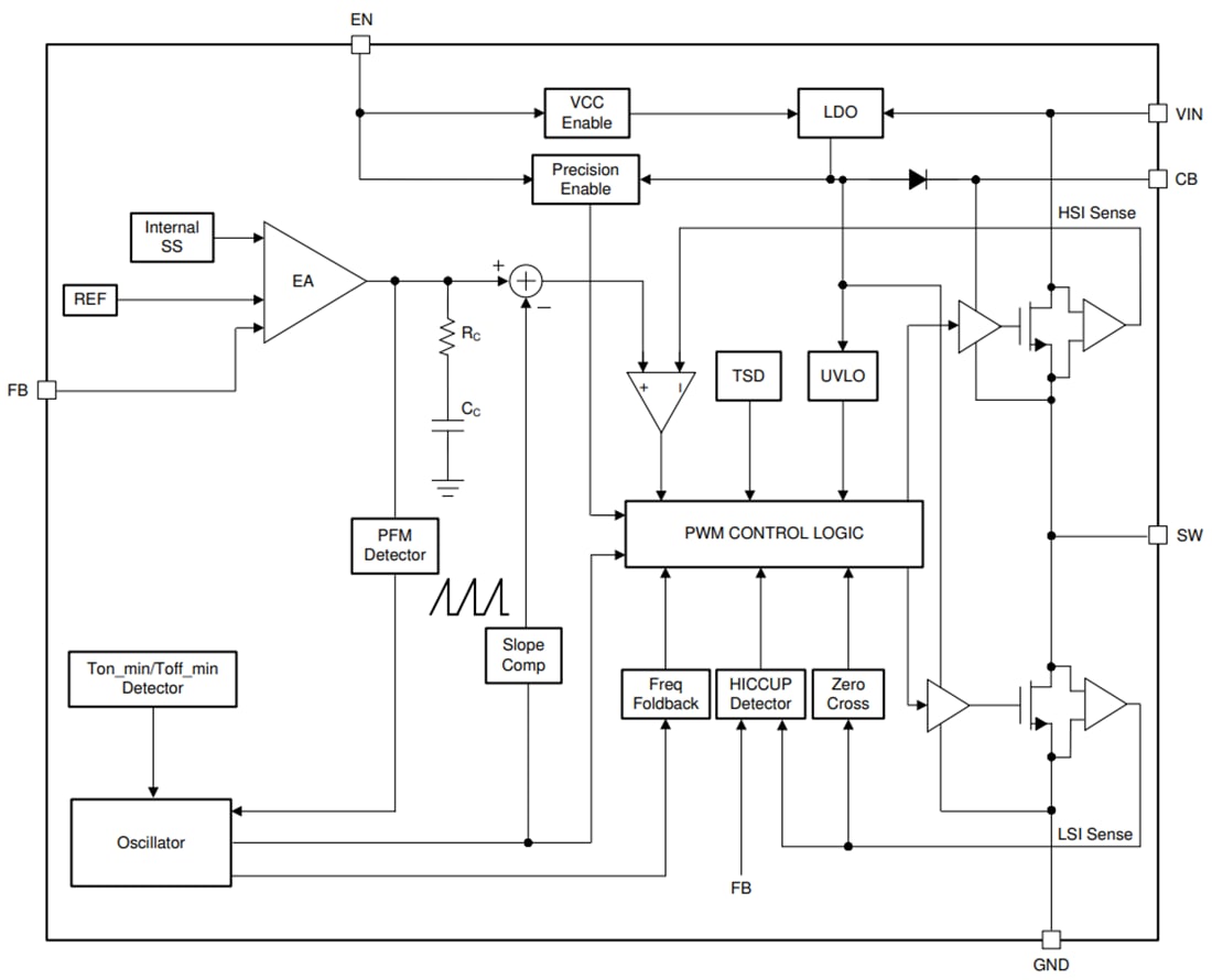
Funktionales Blockdiagramm
Veröffentlichungsdatum: 2025-03-24
| Aktualisiert: 2025-04-18
