Texas Instruments LMR544xx SIMPLE SWITCHER® Leistungswandler
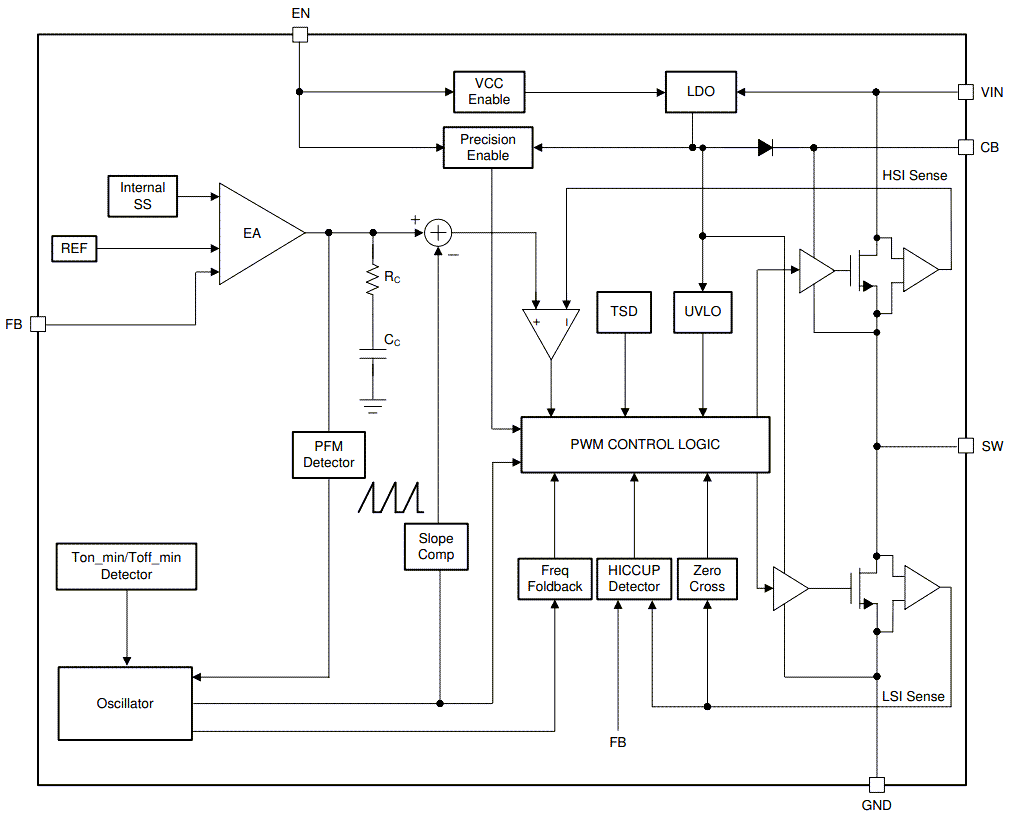
Der SIMPLE SWITCHER® Power Converter LMR544xx von Texas Instruments ist ein einfach zu bedienender synchroner Abwärtswandler mit Weitspannungseingang (VIN), der bis zu 1 A und 0,6 A Laststrom treiben kann. Mit einem weiten Eingangsbereich von 4 V bis 36 V eignet sich das Gerät für eine Vielzahl von industriellen Anwendungen zur Leistungsaufbereitung aus einer ungeregelten Quelle.Der LMR544xx von Texas Instruments arbeitet mit einer Schaltfrequenz von 1,1 MHz, um den Einsatz relativ kleiner Induktivitäten zu ermöglichen und so die Größe der Lösung zu optimieren. Er verfügt über eine PFM-Version, um einen hohen Wirkungsgrad bei geringer Last zu erreichen, und eine FPWM-Version, um eine konstante Frequenz und eine geringe Ausgangsspannungswelligkeit über den gesamten Lastbereich zu erzielen. Sanftanlauf- und Kompensationsschaltungen sind intern implementiert, so dass das Gerät mit einem Minimum an externen Komponenten verwendet werden kann.
Das Bauteil verfügt über integrierte Schutzfunktionen, wie z. B. Zyklus-für-Zyklus-Strombegrenzung, Hiccup-Modus-Kurzschluss-Sicherung und thermische Abschaltung aufgrund von zu hoher Verlustleistung.
Merkmale
- Fähig für die funktionale Sicherheit
- Dokumentation zur Unterstützung des Designs von funktionalen Sicherheitssystemen ist verfügbar
- Für robuste Industrieapplikationen konfiguriert
- Eingangsspannungsbereich: 4 V bis 36 V
- Widersteht kurzen VIN-Transienten bis zu 50 V
- 0,6 A/1 A Dauerausgangsstrom
- 60 ns minimale Einschaltzeit
- 1,1 MHz feste Schaltfrequenz
- Sperrschichttemperaturbereich: -40 °C bis +150 °C
- Maximales Tastverhältnis: 98 %
- Monotones Einschalten mit vorgespanntem Ausgang
- Kurzschlussschutz mit Hiccup-Modus
- Präzisionsfreigabe
- Toleranz der Spannungsreferenz: ±1 %
- Kleine Lösungsgröße und Benutzerfreundlichkeit
- Integrierte Synchrongleichrichtung
- Interne Kompensation für eine einfache Verwendung
- SOT-23-Gehäuse
- Pin-zu-Pin-kompatibel mit dem LMR14010A, LMR50410 und TPS560430
- Verschiedene Optionen in Pin-zu-Pin-kompatiblen Gehäusen
- PFM- und erzwungene PWM-Optionen (FPWM)
Applikationen
- Großgeräte
- SPS, DCS und PAC
- Smart Meter
- Universal-Netzteile mit großem VIN
Funktionales Blockdiagramm
