Texas Instruments LMR62421 SIMPLE SWITCHER® Aufwärts-Spannungsregler
Die Texas Instruments LMR62421 SIMPLE SWITCHER® Aufwärts-Spannungsregler sind einfach anzuwendende, platzsparende 2,1 A Low-Side-Schaltregler für Boost- und SEPIC DC-DC-Regulierung. Der LMR62421 verfügt über alle aktiven Funktionen, um lokale DC/DC-Wandlung mit schnellem Einschwingverhalten und präziser Regelung im kleinstmöglichen PCB-Bereich zu bieten. Mit einer Schaltfrequenz, die intern auf 1,6 MHz eingerichtet ist, ermöglicht der LMR62421 die Verwendung von extrem kleinen oberflächenmontierbaren Induktoren und Chip-Kondensatoren und bietet gleichzeitig einen Wirkungsgrad von nahe 90%. Der Stromregelmodus und die interne Kompensierung bieten einfache Anwendung, eine minimale Anzahl an Komponenten sowie Hochleistungsregelung über einen großen Betriebsspannungsbereich. Die externe Abschaltung bietet einen äußerst geringen Standby-Strom von 80{sp}nA, der für tragbare Anwendungen optimal ist. Die sehr kleinen 5-Pin SOT23- und 6-Pin WSON-Gehäuse sorgen für Platzeinsparung. Zusätzliche Funktionen umfassen einen internen Soft-Start, einen Schaltkreis um Einschaltstrom zu reduzieren, Pulse-by-Pulse-Strombegrenzung und Übertemperaturabschaltung.Merkmale
- Input Voltage Range of 2.7V to 5.5V
- Output Voltage up to 24V
- Switch Current up to 2.1A
- 1.6MHz Switching Frequency
- Low Shutdown Iq, 80nA
- Cycle-by-Cycle Current Limiting
- Internally Compensated
- Internal Soft-Start
- 5-Pin SOT-23 (2.92 x 2.84 x 1mm) and 6-Pin WSON (3 x 3 x 0.8mm) Packaging
- Fully Enabled for WEBENCH® Power Designer
Applikationen
- Boost / SEPIC Conversions from 3.3V, 5V Rails
- Space Constrained Applications
- Embedded Systems
- LCD Displays
- LED Applications
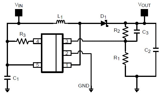
Typical Application Circuit
Veröffentlichungsdatum: 2014-02-27
| Aktualisiert: 2022-03-11
